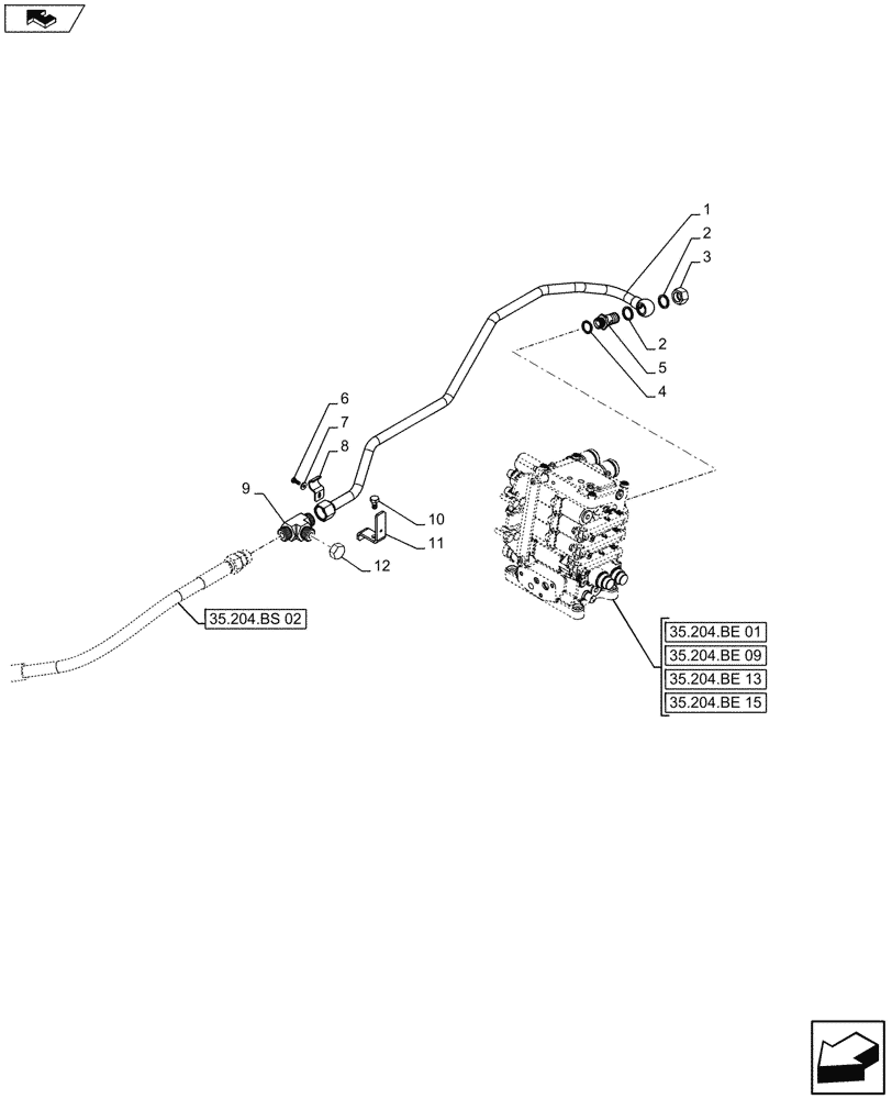
Запчасти Case IH FARMALL 115U (35.204.BS[03]) - VAR - 336386 - MID MOUNT VALVE KIT, DELIVERY PIPE (35) - HYDRAULIC SYSTEMS

Схема запчастей Case IH FARMALL 115U - (35.204.BS[03]) - VAR - 336386 - MID MOUNT VALVE KIT, DELIVERY PIPE (35) - HYDRAULIC SYSTEMS
35.204.be 01
2
10
4
home
9
7
8
3
11
6
5
12
2
1
35.204.be 09
35.204.be 15
35.204.bs 02
35.204.be 13
FIT
1:1
100%

Артикул

Название

Примечание

Количество

1

84487877

TUBE

Delivery MMV

1шт.

2

5165897

SEALING WASHER,22.7mm ID x 30mm OD x 2mm Thk

2шт.

3

47133106

PLUG,Hex, M22 x 1.5 x 13mm L

1шт.

4

14438085

O-RING,19.3mm ID x 2.4mm

1шт.

5

47133105

BANJO BOLT,M22 x 1.50 x 58mm, R50

1шт.

6

10902280

BOLT,Hex, M6 x 16mm

1шт.

7

12647621

WASHER,6.15mm ID x 16mm OD x 2mm Thk

1шт.

8

5156414

CLAMP,20mm ID, 6.5mm Bolt Hole, J Type

1шт.

9

87359490

UNION

1шт.

10

15970521

BOLT,Hex, M10 x 1.25 x 20mm, Cl 8.8, Full Thd

1шт.

11

84484894

BRACKET

1шт.

12

9847689

CAP,1-3/16" - 12 ORFS

1шт.

Выбрано товаров: 0