Запчасти Case IH FARMALL 115U (37.100.AA[01]) - VAR - 330912, 332918, 333918 - DRAWBAR AND HITCH, DRAWBAR, ISO (37) - HITCHES, DRAWBARS & IMPLEMENT COUPLINGS

Схема запчастей Case IH FARMALL 115U - (37.100.AA[01]) - VAR - 330912, 332918, 333918 - DRAWBAR AND HITCH, DRAWBAR, ISO (37) - HITCHES, DRAWBARS & IMPLEMENT COUPLINGS
21.120.ab 02
home
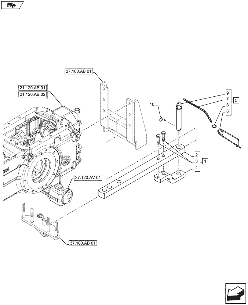
6
4
1
10
3
7
2
8
5
9
37.100.ab 01
37.100.ab 01
37.120.av 01
21.120.ab 01
FIT
1:1
100%

Артикул

Название

Примечание

Количество

1

84129985

DRAWBAR

ASSY, Incl 2 - 4

1шт.

2

5180877

DRAWBAR,780mm L x 60mm W x 40mm Thk

1шт.

3

11119133

BOLT,Hex, M16 x 60, 10.9, Full Thd

2шт.

4

82010169

CLEVIS,251mm L x 60mm W x 25mm Thk, 70mm Offset

1шт.

5

5163732

PIN,32mm OD x 182mm L

ASSY, Incl 6 - 9

1шт.

6

5152004

HAIR PIN COTTER,195mm L

1шт.

7

596063

LINK CHAIN,13 Links x 18mm = 234mm L

1шт.

8

44901192

SNAP RING,25mm ID

1шт.

9

5155491

PIVOT

1шт.

10

5166585

LOCK PIN,11mm OD

1шт.

Выбрано товаров: 10