Запчасти Case IH FARMALL 115U (37.100.AB[03]) - VAR - 331918, 333918 - DRAWBAR AND HITCH, DRAWBAR, SUPPORT, ISO (29MM HOLE/ITALY) (37) - HITCHES, DRAWBARS & IMPLEMENT COUPLINGS

Схема запчастей Case IH FARMALL 115U - (37.100.AB[03]) - VAR - 331918, 333918 - DRAWBAR AND HITCH, DRAWBAR, SUPPORT, ISO (29MM HOLE/ITALY) (37) - HITCHES, DRAWBARS & IMPLEMENT COUPLINGS
21.120.ab 02
home
4
1
9
6
5
2
8
3
7
10
37.100.aa 03
37.120.av 01
21.120.ab 01
FIT
1:1
100%

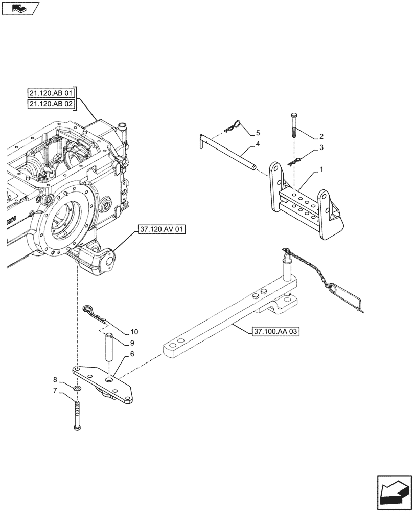
Артикул

Название

Примечание

Количество

1

5199439

SUPPORT

1шт.

2

5181758

PIN,16mm OD x 119.5mm L

2шт.

3

82026318

COTTER PIN,1/8 x 2 5/16

1/8' x 2 - 5/16'

2шт.

4

5117437

PIN,22mm OD x 325mm L

2шт.

5

44007661

COTTER PIN,33.2mm OD x 78mm L

2шт.

6

82003409

BRACKET

1шт.

7

15864334

BOLT,Hex, M16 x 1.5 x 130mm, Cl 10.9

4шт.

8

11194274

BELLEVILLE WASHER,M16 Bolt Size x 32mm OD x 3.4mm Thk

4шт.

9

82006933

PIN,28mm OD x 134mm L

1шт.

10

82000094

SPRING,40mm OD x 142mm L

1шт.

Выбрано товаров: 10