Запчасти Case IH FARMALL 115U (37.100.AB[04]) - VAR - 332918 - DRAWBAR AND HITCH, DRAWBAR, SUPPORT, ISO (33MM HOLE/FRANCE) (37) - HITCHES, DRAWBARS & IMPLEMENT COUPLINGS

Схема запчастей Case IH FARMALL 115U - (37.100.AB[04]) - VAR - 332918 - DRAWBAR AND HITCH, DRAWBAR, SUPPORT, ISO (33MM HOLE/FRANCE) (37) - HITCHES, DRAWBARS & IMPLEMENT COUPLINGS
21.120.ab 02
home
21.120.ab 01
37.100.aa 04
2
3
1
37.120.ay 02
5
6
37.120.av 01
4
FIT
1:1
100%

Артикул

Название

Примечание

Количество

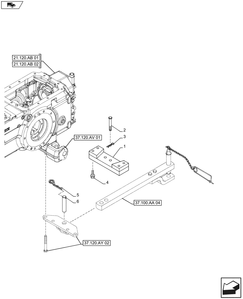
1

5199438

SUPPORT

1шт.

2

5181758

PIN,16mm OD x 119.5mm L

2шт.

3

82026318

COTTER PIN,1/8 x 2 5/16

1/8' x 2 - 5/16'

2шт.

4

15981521

BOLT,Hex, M16 x 1.5 x 90mm, Cl 8.8

4шт.

5

82000094

SPRING,40mm OD x 142mm L

1шт.

6

82006933

PIN,28mm OD x 134mm L

1шт.

Выбрано товаров: 6