Запчасти Case IH FARMALL 115U (10.000.00) - SECTION INDEX - ENGINE (10) - ENGINE

Схема запчастей Case IH FARMALL 115U - (10.000.00) - SECTION INDEX - ENGINE (10) - ENGINE
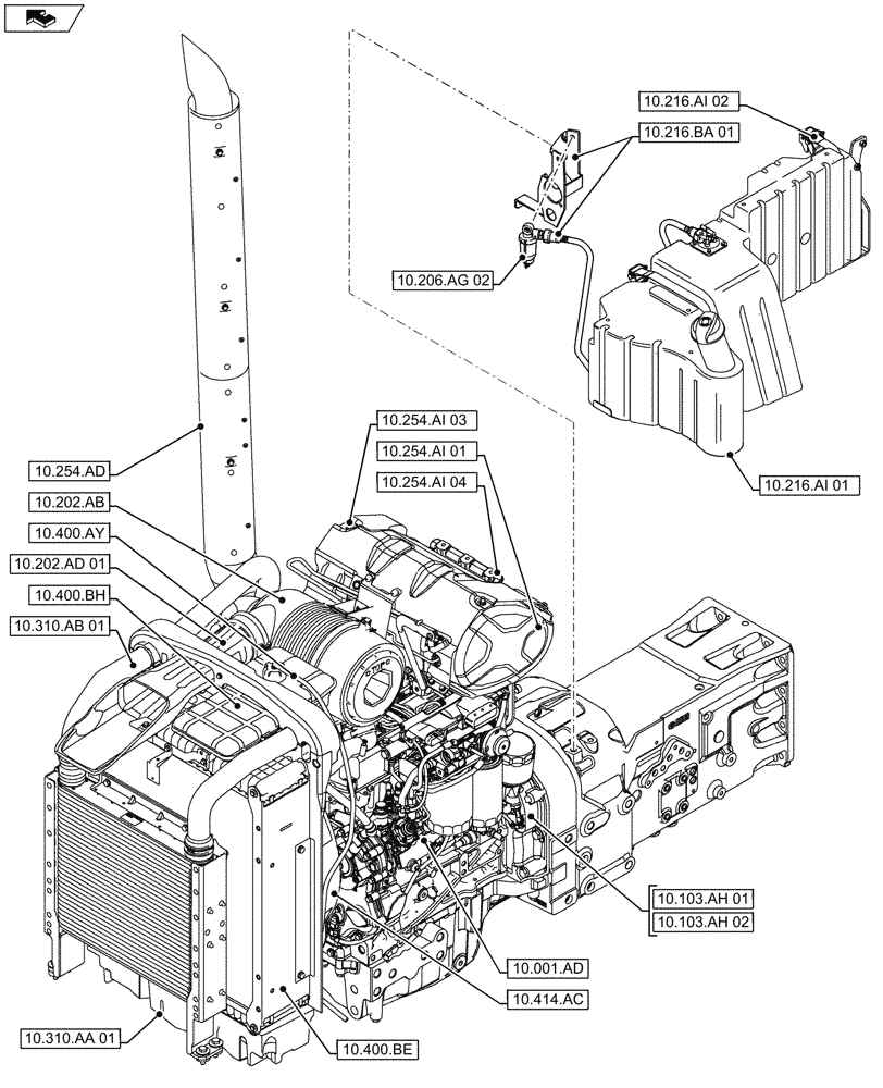
10.216.ai 01
10.400.be
10.202.ad 01
10.254.ad
10.216.ai 02
home
10.310.ab 01
10.310.aa 01
10.254.ai 04
10.254.ai 03
10.103.ah 01
10.414.ac
10.001.ad
10.400.ay
10.206.ag 02
10.216.ba 01
10.400.bh
home
10.202.ab
10.254.ai 01
10.103.ah 02
FIT
1:1
100%