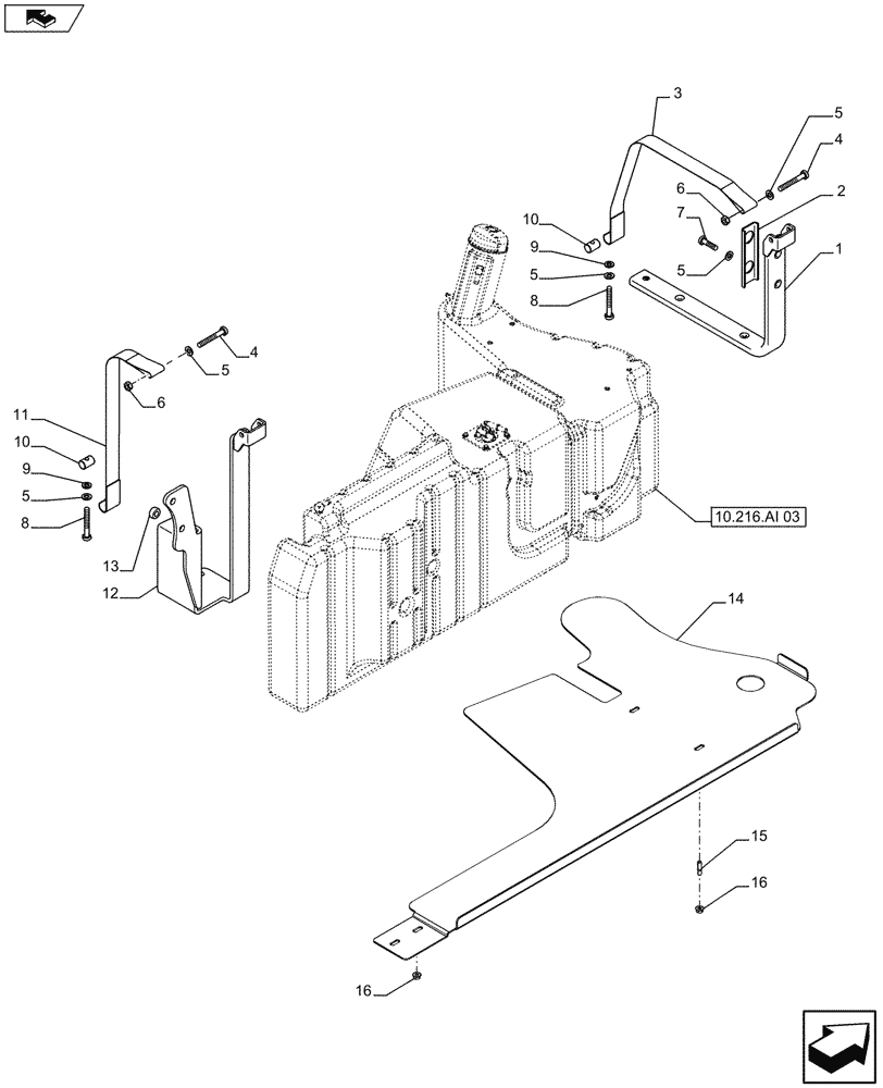
Запчасти Case IH FARMALL 115U (10.216.AI[04]) - VAR - 330133 - FUEL TANK, SUPPORT, PROTECTION, ISO (10) - ENGINE

Схема запчастей Case IH FARMALL 115U - (10.216.AI[04]) - VAR - 330133 - FUEL TANK, SUPPORT, PROTECTION, ISO (10) - ENGINE
6
9
5
10
15
5
10.216.ai 03
12
7
9
3
6
13
home
16
11
home
14
10
1
4
5
8
5
5
4
16
2
8
FIT
1:1
100%

Артикул

Название

Примечание

Количество

1

84351184

SUPPORT

Front, Lower

1шт.

2

84256988

SUPPORT

1шт.

3

84354662

BRACKET

Front, Upper

1шт.

4

15971424

BOLT,Hex, M10 x 1.25 x 80mm, Cl 8.8

2шт.

5

11190574

BELLEVILLE WASHER,M10 Bolt Size x 20mm OD x 2.3mm Thk

6шт.

6

11701711

NUT,Hex, M10, Cl 8, ZND

2шт.

7

11307031

BOLT,Hex, M10 x 1.25 x 40mm, Cl 10.9

2шт.

8

15971324

SCREW,Hex, M10 x 1.25 x 75mm, Cl 8.8

2шт.

9

14496604

WASHER,10.5mm ID x 21mm OD x 2mm Thk

2шт.

10

5184438

PIN

2шт.

11

84351384

WEATHERSTRIP

Rear, Upper

1шт.

12

84519799

SUPPORT

Rear, Lower

1шт.

13

12164024

NUT,Hex, M14 x 1.5mm Pitch, Cl 10, DAC

2шт.

14

84351223

PLATE

Protection Tank

1шт.

15

13516924

STUD,M8 x 34mm L, Cl. 8.8

2шт.

16

14059311

FLANGE NUT,M8 x 1.25, Flg, Cl 8

4шт.

Выбрано товаров: 16