Запчасти Case IH FARMALL 115U (90.150.BB[03]) - VAR - 339606 - CAB SUPPORT - FRONT, ISO (90) - PLATFORM, CAB, BODYWORK AND DECALS

Схема запчастей Case IH FARMALL 115U - (90.150.BB[03]) - VAR - 339606 - CAB SUPPORT - FRONT, ISO (90) - PLATFORM, CAB, BODYWORK AND DECALS
home
4
2
3
3
6
5
5
8
7
2
4
10
10
7
9
8
1
2
2
9
FIT
1:1
100%

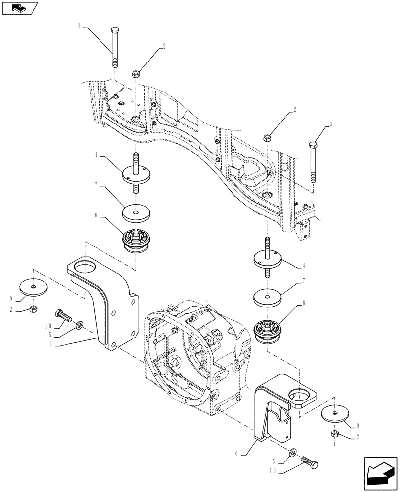
Артикул

Название

Примечание

Количество

1

84517496

SUPPORT

Front RH, Black

1шт.

2

86015195

NUT,M20 x 1.5, Cl 10

4шт.

3

15990931

BOLT,Hex, M20 x 1.5 x 190, 10.9

2шт.

4

84393678

SPACER

2шт.

In Alternative to p/n 84421169 + 15990931

1шт.

5

11191774

BELLEVILLE WASHER,M20 Bolt Size x 38mm OD x 4.6mm Thk

8шт.

6

84517495

SUPPORT

Front LH, Black

1шт.

7

84421169

SPACER,21mm ID x 120mm OD x 14.7mm L

2шт.

In Alternative to p/n 84393678 + 12164321

1шт.

8

83983548

ISOLATOR,120mm OD x 64mm L

2шт.

9

87302042

SPACER,21mm ID x 120mm OD x 8.7mm L

2шт.

10

86601713

BOLT,Hex, M20 x 65mm, Cl 8.8, Full Thd

8шт.

Выбрано товаров: 12