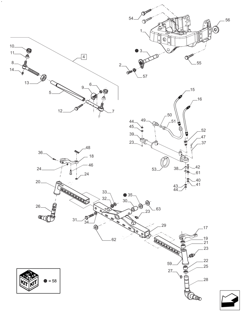
Запчасти Case IH FARMALL 120A (25.400.AM[01]) - FRONT AXLE - STEERING SYSTEM 2WD - 4 CYL. (25) - FRONT AXLE SYSTEM

Схема запчастей Case IH FARMALL 120A - (25.400.AM[01]) - FRONT AXLE - STEERING SYSTEM 2WD - 4 CYL. (25) - FRONT AXLE SYSTEM
53
30
1
20
21
29
50
16
23
33
3
23
38
61
22
2
32
24
49
55
52
40
39
12
44
15
17
51
58
24
42
37
48
31
45
25
46
19
10
14
4
7
54
35
27
9
13
26
28
58
62
23
58
47
34
8
43
56
36
58
11
63
5
6
57
18
41
44
59
FIT
1:1
100%

Артикул

Название

Примечание

Количество

1

73337332

SUPPORT

Front Support LD 2WD 4 Cyl.

1шт.

1

73338501

SUPPORT

Front Heavy Duty 2WD 4 Cyl.

1шт.

2

15970521

BOLT,Hex, M10 x 1.25 x 20mm, Cl 8.8, Full Thd

1шт.

3

5110400

PIVOT PIN,400mm L

Assy, Axle

1шт.

4

82981597

STEERING TIE-ROD

Assy. Standard Incl 5 - 14

1шт.

Use with Cylinder 82987884

1шт.

Before ECO 35213322

1шт.

4

47927923

TIE-ROD

Assy. Standard Incl 5 - 14

1шт.

Use with Cylinder 47927925

1шт.

After ECO 35213322

1шт.

5

82981598

TUBE,25.58 mm ID, 33.52 mm OD, 1014 mm Length

1шт.

Incl in 82981597, Use with Cylinder 82987884

1шт.

Before ECO 35213322

1шт.

5

NSS

NOT SOLD SEPARAT

Tube, Tie - Rod, Incl in 4

1шт.

Incl in 47927923, Use with Cylinder 47927925

1шт.

After ECO 35213322

1шт.

6

81825526

LOCK NUT,1/2"-13, G5

1шт.

7

82981599

TRACK ROD END ASSY

RH

1шт.

Incl in 82981597, Use with Cylinder 82987884

1шт.

Before ECO 35213322

1шт.

7

47931785

TIE-ROD

RH

1шт.

Incl in 47927923, Use with Cylinder 47927925

1шт.

After ECO 35213322

1шт.

8

82981600

TRACK ROD END ASSY

LH

1шт.

Incl in 82981597, Use with Cylinder 82987884

1шт.

Before ECO 35213322

1шт.

8

47931794

TIE-ROD

LH

1шт.

Incl in 47927923, Use with Cylinder 47927925

1шт.

After ECO 35213322

1шт.

9

82981601

CLAMP

1шт.

10

87446

SLOTTED NUT,5/8"-18

2шт.

11

82983009

BOOT

Cover

2шт.

12

81825268

BOLT,Hex, 1/2" - 13 x 2 1/2", Gr 5

1шт.

13

82981603

JAM NUT,1"-16

Jam

1шт.

14

82982597

LUBE NIPPLE

Fitting, Right 1/4" - 28

2шт.

15

82983277

FLEXIBLE HOSE,9.53mm ID x 500mm L, SAE 100R1

Assy, Power Steering, 2WD

1шт.

16

82980908

FLEXIBLE HOSE,7.87mm ID x 510mm L, SAE 100R5

Assy, Power Steering, 2WD

1шт.

16

82036370

HOSE

600mm L Assy, Power Steering, 2WD Heavy Duty

2шт.

17

82981441

STEERING ARM

Assy. LH

1шт.

18

82982733

STEERING ARM

Assy. RH

1шт.

19

81802845

SEAL,37.95mm ID x 50.55mm OD x 6.35mm Thk

2шт.

20

82980026

AXLE

Assy, RH

1шт.

21

81802792

BUSHING,41.73mm ID x 50.86mm OD x 47.75mm L

Front Axle, Superior Sleeve

2шт.

22

81802797

BUSHING,44.72mm ID x 50.86mm OD x 47.75mm L

Bushing

2шт.

23

80710

LUBE NIPPLE,1/8” – 27 Dryseal PTF

Straight, 90°

4шт.

24

83991073

NUT,5/8"-18

3шт.

25

81802870

BEARING ASSY

Spindle Front Wheel

2шт.

26

81815914

SPINDLE

Front Wheel, RH

1шт.

27

117997

WOODRUFF KEY,#25, 5/16" x 1 1/2", HT

2шт.

28

81815915

SPINDLE

Front Wheel, LH

1шт.

29

82984844

CENTER AXLE

& Bushing Assy, 2WD 4/6 Cyl.

1шт.

30

5115656

BUSHING,38.05mm ID x 42mm OD x 40mm L

Bushing

2шт.

31

82981416

BOLT,Hex, 5/8" - 11 x 4 3/4"

4шт.

32

86729275

LOCK WASHER,5/8 0.634 CST ZND

4шт.

33

280374

NUT,Hex, 5/8" - 11, Gr 5

4шт.

34

82980078

SPACER

Front Wheel

4шт.

35

82980606

LOCK WASHER,38.7mm ID x 58mm OD x 8.18mm Thk

Thrust Front

2шт.

36

83902570

BOLT,Hex, 5/8" x 3 1/2", Gr 5

2шт.

37

82981445

PIN,28mm OD x 82mm L

Support

1шт.

38

82982903

BUSHING

Bushing

1шт.

39

82987884

STEERING CYLINDER

1шт.

Before ECO 35213322

1шт.

39

47927925

STEERING CYLINDER

Cylinder, Steering Assy.

1шт.

After ECO 35213322

1шт.

40

83917657

WASHER,20.1mm ID x 43.7mm OD x 3.17mm Thk

1шт.

41

81818699

NUT,3/4"-10, G5

1шт.

42

81827592

BOLT,Hex, 3/4" - 10 x 2", Gr 8

1шт.

43

82981447

WASHER,17.52mm ID x 36mm OD x 4mm Thk

Pivot

1шт.

44

83991073

NUT,5/8"-18

2шт.

45

82981449

WASHER,16.66mm ID x 28mm OD x 6mm Thk

Pivot

1шт.

46

82981448

PIN,28mm OD x 101mm L

Support

1шт.

47

81818824

LUBE NIPPLE,90 Degree, 1/8"-27 NPT

1шт.

48

81813916

COTTER PIN,1/8" x 1 1/2"

2шт.

49

82983407

ELBOW,90 Degree, 9/16"-18 ORB x M18

Special

1шт.

50

82983361

CHECK VALVE

Assy., 12 Bars

1шт.

51

82989771

HYD TUBE

Assy. Steering Cylinder, Start Year: 01-AUG-12

1шт.

52

83958374

45 ELBOW,9/16"-18, 37° x 9/16"-18, O-Ring

Tube Connector, Start Year: 01-AUG-12

1шт.

53

81826032

HOSE CLAMP,3.25"

1шт.

54

15989721

SCREW,Hex, M20 x 1.5

G8.8

4шт.

55

15989537

BOLT,Hex, M20 x 1.5 x 120mm, Cl 10.9

G8.8

2шт.

56

82989331

SHIM

Support Front, .014/.015" (.400/.361 mm)

1шт.

56

82989332

SHIM

Support Front, .017/.018" (.476/.438 mm)

1шт.

56

82989333

SHIM

Support Front, .020/.022" (.508/.559 mm)

1шт.

56

82989334

SHIM

Support Front, .023/.025" (.584/.635 mm)

1шт.

56

82989335

SHIM

Support Front, .026/.028" (.660/.711 mm)

1шт.

57

85700672

LOCK WASHER,M10

1шт.

58

82982662

KIT

Pin Assy, Incl 3, 35

1шт.

59

82980025

AXLE

Assy, LH

1шт.

60

83912070

JAM NUT,9/16"-18

not shown

2шт.

61

82981446

PIVOT PLATE

Plate

1шт.

62

82983456

SHIM

1шт.

63

82983449

SHIM,0.3mm Thk

1шт.

Выбрано товаров: 92