Запчасти Case IH FARMALL 120A (37.110.AP) - HYDRAULIC LIFT - COVER & RELATED PARTS (37) - HITCHES, DRAWBARS & IMPLEMENT COUPLINGS

Схема запчастей Case IH FARMALL 120A - (37.110.AP) - HYDRAULIC LIFT - COVER & RELATED PARTS (37) - HITCHES, DRAWBARS & IMPLEMENT COUPLINGS
31
35.204.bp
35
21
20
5
41
43
39
47
30
24
48
28
38
8
23
10
37
15
27
1
14
33
34
12
32
18
44
42
26
2
3
34
25
5
9
22
46
29
4
19
45
17
40
13
7
33
11
6
16
36
FIT
1:1
100%

Артикул

Название

Примечание

Количество

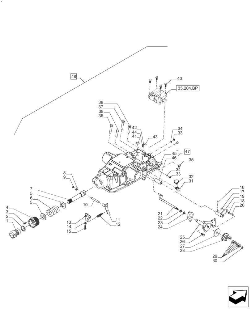
1

73338496

YOKE

1шт.

2

81801557

SEAL,43.18mm ID x 52.58mm OD x 5.18mm Thk

1шт.

3

83917274

SET SCREW,3/8"-24, Cup Pt

1шт.

4

81818774

SPRING NUT,3 1/4"-8

1шт.

5

81818853

SEAT/SLOT

2шт.

6

81801613

SPRING

1шт.

7

83925007

PLUNGER

1шт.

8

83909861

WASHER,13.72mm ID x 26.92mm OD x 2.41mm Thk

1шт.

9

81822628

CIRCLIP,1/2"

1шт.

10

83925046

PIN,12.7mm OD x 85.8mm L

1шт.

11

83930800

LINK

1шт.

12

81824002

SPRING

1шт.

13

83991265

RETAINER

1шт.

14

83935787

LOCK WASHER,7/16"

1шт.

15

81870772

BOLT,Hex, 7/16" - 20 x 1 3/8"

1шт.

16

83926670

COILED PIN,3/16" x 1 1/8"

2шт.

17

81819427

LOCK NUT,5/16"-18

1шт.

18

83918746

WASHER,0.34" ID x 0.69" OD x 0.07" Thk

1шт.

19

82969368

ACTUATOR

ROPS

1шт.

19

73335832

LEVER

Draft Lver Assy, Lower - CAB, Not Shown

1шт.

20

87657

BOLT,Hex, 5/16" - 18 x 1 1/4", Gr 5

1шт.

21

83957374

SHAFT

1шт.

22

83935198

WASHER,16mm ID x 25.4mm OD x 2.44mm Thk

1шт.

23

83946158

SEAL,15.88mm ID x 26.19mm OD x 1.4mm Thk

1шт.

24

81801544

GASKET,0.97mm Thk

1шт.

25

83946157

SUPPORT

1шт.

26

81821207

BOLT,Hex, 7/16" - 14 x 1", Gr 5

2шт.

27

83925028

FRICTION WASHER,5.23mm Thk

1шт.

28

83929136

BODY

1шт.

29

81870284

CUP WASHER,M11.5 x 28.6 x 0.96 Thk

5шт.

30

82936516

LOCK NUT,7/16"-20

1шт.

31

83957405

ELBOW

1шт.

32

83925022

BREATHER,.375-18 NPT

1шт.

33

83911570

HEX SOCKET PLUG,9/16"-18

3шт.

34

81845037

O-RING,0.078" Thk x 0.468" ID, -906, Cl 6, 90 Duro

3шт.

35

81814307

CUP PLUG,1"

1шт.

36

81874963

BOLT,Hex, 5/8" - 18 x 3", Gr 5

1шт.

37

81821301

BOLT,Hex, 5/8" - 18 x 2 1/4", Gr 5

1шт.

38

83901268

BOLT,Hex, 5/8" - 18 x 2 1/2", Gr 5

1шт.

39

83943785

BOLT,Hex, 5/8"-18 x 3", G5

1шт.

40

81821207

BOLT,Hex, 7/16" - 14 x 1", Gr 5

4шт.

41

83900077

O-RING,1.125" ID x 0.103" Width

1шт.

42

83925620

O-RING,0.103" Thk x 0.362" ID, -110, Cl 6, 90 Duro

1шт.

43

83901443

O-RING,0.07" Thk x 0.614" ID, -16, Cl 6, 90 Duro

1шт.

44

82981950

O-RING,0.103" Thk x 0.487" ID, -112, Cl 6, 90 Duro

2шт.

45

73337792

COVER

Cover, Hydraulic Lift, Start Year: 09-AUG-13

1шт.

46

81823997

SLEEVE

1шт.

47

47501307

COVER

Cover Assy, Hydraulic Lift, Incl 45, 46, Start Year: 09-AUG-13

1шт.

48

82988711

HYDRAULIC LIFT

ROPS, Incl 1 - 47, Years: -09-AUG-13

1шт.

48

73338212

HYDRAULIC LIFT

Hydraulic Lift Assy, ROPS, Incl 1 - 47, Start Year: 09-AUG-13

1шт.

48

73335830

HYDRAULIC LIFT

CAB, Incl 1 - 47, Years: -09-AUG-13

1шт.

48

73338211

HYDRAULIC LIFT

Hydraulic Lift Assy, CAB, Incl 1 - 47, Start Year: 09-AUG-13

1шт.

Выбрано товаров: 52