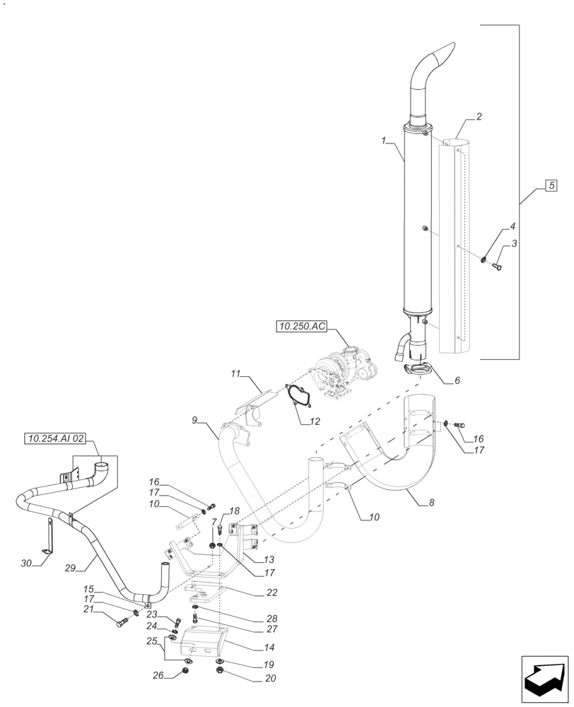
Запчасти Case IH FARMALL 120A (10.254.AI[01]) - VERTICAL EXHAUST - MUFFLER 4 CYL. (10) - ENGINE

Схема запчастей Case IH FARMALL 120A - (10.254.AI[01]) - VERTICAL EXHAUST - MUFFLER 4 CYL. (10) - ENGINE
25
13
12
28
19
17
4
26
24
8
5
10
30
3
27
16
2
17
17
14
29
10.250.ac
7
11
1
18
10
10.254.ai 02
23
17
21
16
15
20
22
6
9
FIT
1:1
100%

Артикул

Название

Примечание

Количество

1

47611927

Muffler Assy Exhaust Tube 4 Cyl. L/Ejector, Incl in 5, Start Year: 11-APR-14

1шт.

1

NSS

NOT SOLD SEPARAT

Muffler Assy Exhaust Tube 4 Cyl. W/Ejector, Incl in 5, Illustrated

1шт.

2

47882289

GUARD

Guard Muffler Exhaust Tube 4 Cyl. Incl in 5

1шт.

3

120103

BOLT,M8 x 1.25 x 16mm, Cl 8.8

Used with Muffler L/Ejector

6шт.

3

120104

BOLT,Hex, M8 x 1.25 x 20mm, Cl 8.8

Used with Muffler W/Ejector

6шт.

4

10571779

LOCK WASHER,Helical Spring, 8.10mm ID x 14.80mm OD x 2.00mm, ZNM

6шт.

5

47611769

MUFFLER

Silencer Assembly 4 Cyl. L/Ejector, Incl 1 - 4, Start Year: 11-APR-14

1шт.

5

47882324

MUFFLER

Silencer Guard Assembly 4 Cyl. W/Ejector, Incl 1 - 4, Illustrated

1шт.

6

83910870

CLAMP,70.1mm ID

1шт.

7

43362

NUT,M8 x 1.25, Cl 10

2

1шт.

8

73337604

GUARD

Exhaust Tube

1шт.

9

73337595

EXHAUST SYSTEM PIPE

Exhaust Tube Assy 4 Cyl., Start Serial: NH02715M

1шт.

10

73337602

CLAMP

3

3шт.

11

73338150

GUARD

Turbo 4 Cyl.

1шт.

12

2852071

GASKET,0.5mm Thk

Exhaust Connection

1шт.

13

73337591

SUPPORT

Guard Assy.

1шт.

14

73338193

SUPPORT

Support Exhaust Assy. 4/6 Cyl.

1шт.

15

73337124

CLAMP,32mm ID, 10mm Bolt Hole, P Type

6

1шт.

16

43128

BOLT,M8 x 1.25 x 30mm, Cl 8.8

12шт.

17

83990583

LOCK WASHER,M8 x 14.8mm OD x 2.1mm Thk

17шт.

18

82859873

SCREW,M8 x 45mm, Cl 8.8

4шт.

19

83974432

WASHER,0.33" ID x 0.88" OD x 0.12" Thk

4шт.

20

83958007

NUT,M8, G8

4шт.

21

120104

BOLT,Hex, M8 x 1.25 x 20mm, Cl 8.8

1шт.

22

73338191

SUPPORT

Sup Assy Exh Pillar A 4 Cyl.

1шт.

23

15541134

BOLT,Hex, M12 x 1.25 x 65mm, Cl 10.9

2шт.

24

80679

LOCK WASHER,1/20.507 CST ZND

2шт.

25

87364

WASHER,0.53" ID x 1.06" OD x 0.1" Thk

4шт.

26

16105014

LOCK NUT,M12 x 1.25

2шт.

27

15540721

SCREW,Hex, M12 x 1.25 x 45mm, Cl 8.8, Full Thd

3шт.

28

412123

LOCK WASHER,13.1mm ID x 21.1mm OD x 2.55mm Thk

3шт.

29

73337610

TUBE ASSY EJECTOR P/CLEAN, Years: -16-FEB-13

1шт.

29

47462681

TUBE

ASSY EJECTOR P/CLEAN, Start Year: 16-FEB-13

1шт.

30

73337608

SUPPORT

SUPPORT TUBE 4CYL PRE CLEANER

1шт.

Выбрано товаров: 34