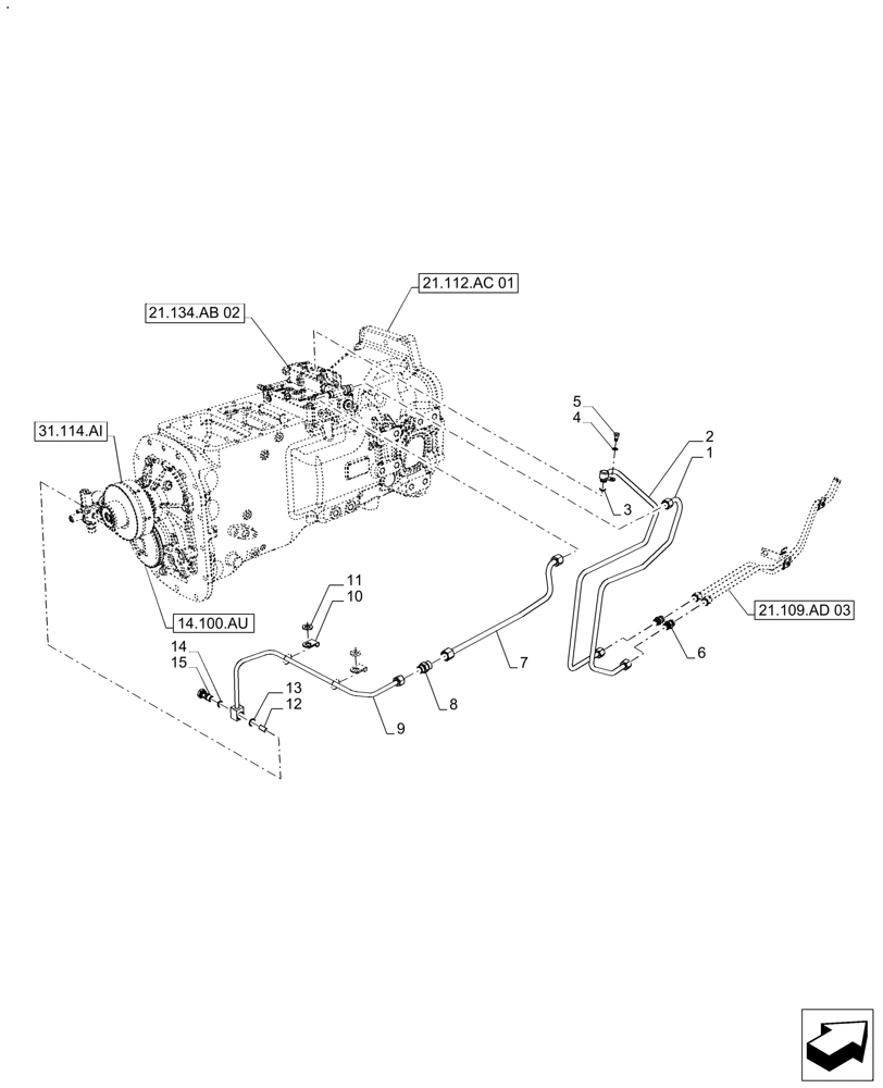
Запчасти Case IH FARMALL 120A (21.109.AD[02]) - VAR - 330059, 330061 - TRANSMISSION COOLER LINES, POWERSHUTTLE (21) - TRANSMISSION

Схема запчастей Case IH FARMALL 120A - (21.109.AD[02]) - VAR - 330059, 330061 - TRANSMISSION COOLER LINES, POWERSHUTTLE (21) - TRANSMISSION
21.112.ac 01
12
4
3
6
5
8
9
2
13
11
14
1
15
10
7
31.114.ai
21.109.ad 03
21.134.ab 02
14.100.au
FIT
1:1
100%

Артикул

Название

Примечание

Количество

1

47607619

HYD TUBE

Powershuttle

1шт.

2

73336445

HYD TUBE

Oil Cooler IN

1шт.

3

14457080

O-RING,0.103" Thk x 0.487" ID, -112, Cl 5, 75 Duro

1шт.

4

10571779

LOCK WASHER,Helical Spring, 8.10mm ID x 14.80mm OD x 2.00mm, ZNM

1шт.

5

120103

BOLT,M8 x 1.25 x 16mm, Cl 8.8

1шт.

6

82982603

HYD CONNECTOR,13/16"-16

2шт.

7

73338512

HYD TUBE

Front Lubrication

1шт.

8

84431472

HYD CONNECTOR,13/16"-16 ORFS x 11/16"-16 ORFS

1шт.

9

73336454

HYD TUBE

Lubricant Rear

1шт.

10

86639010

CLAMP,9.5mm, Coat, 13.5mm Bolt Hole, P Type

2шт.

11

86511324

WASHER,13mm ID x 24mm OD x 2.5mm Thk

2шт.

12

81879012

PLASTIC-RUBBER TUBE,7.83 mm ID, 9.5 mm OD, 22 mm Length

1шт.

13

83928275

SEAL

Power Steering Pressure Hose

1шт.

14

83900079

O-RING,0.103" Thk x 0.424" ID, -11, Cl 6, 90 Duro

1шт.

15

81879036

BANJO BOLT,9/16" - 18 x 1.34"

1шт.

Выбрано товаров: 15