Запчасти Case IH FARMALL 120A (21.120.AB[01]) - VAR - 390331, 330331 - GEARBOX, HOUSING (21) - TRANSMISSION

Схема запчастей Case IH FARMALL 120A - (21.120.AB[01]) - VAR - 390331, 330331 - GEARBOX, HOUSING (21) - TRANSMISSION
9
14
1
17
11
21.112.ac 01
7
21.120.ab 02
4
21.120.ab 03
3
14
10
12
2
13
15
8
27.124.ad 02
18
16
13
5
12
21.114.al 01
27.124.ad 01
6
FIT
1:1
100%

Артикул

Название

Примечание

Количество

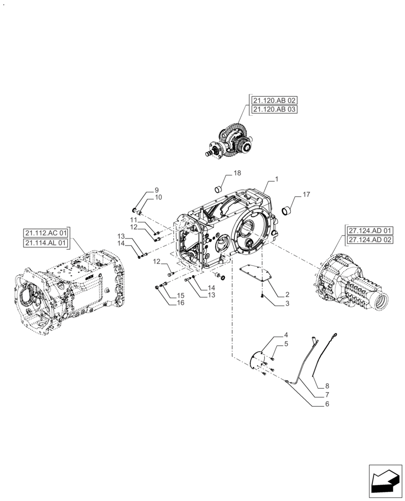
1

82987813

HOUSING

Center Assy. Rear Axle

1шт.

2

83947578

COVER

PTO Sump

1шт.

3

81821827

BOLT,Hex, 3/8" - 16 x 3/4", Gr 5

8шт.

4

83972130

COVER

Rear Axle Centre Housing Handbrake Opening

1шт.

5

81821196

BOLT,Hex, 7/16" - 14 x 3/4", Gr 5

4шт.

6

81826683

ELBOW,5/16" Inverted Flare

1шт.

7

83907243

PIPE

Pipe Assy. and Leve Indicator

1шт.

8

82859024

DIPSTICK

Indicator Assy. Rear Axle Oil Level

1шт.

9

48087553

SEAL

Oil Assy Brake Pedal Cross Shaft

2шт.

10

81802602

BRONZE BUSHING

Brake Pedal Shaft

2шт.

11

81821273

BOLT,Hex, 1/2" - 13 x 1 5/8", Gr 5

1шт.

12

81821283

BOLT

3шт.

13

81821293

BOLT,Hex, 1/2" - 20 x 2", Gr 5

8шт.

14

81822613

NUT

8шт.

15

81821301

BOLT,Hex, 5/8" - 18 x 2 1/4", Gr 5

2шт.

16

81823240

NUT,5/8"-18, G5

2шт.

17

83913095

BEARING ASSY,Needle, 38.09mm ID x 47.64mm OD x 31.75mm W

PTO DRV OPUT SHFT

1шт.

18

81801987

BUSHING,33.22mm ID x 36.64mm OD x 23.88mm L

1шт.

Выбрано товаров: 18