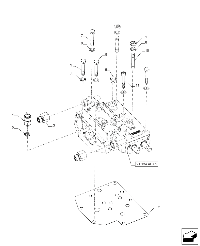
Запчасти Case IH FARMALL 120A (21.134.AB[01]) - VAR - 330059, 330061 - POWERSHUTTLE, VALVE (21) - TRANSMISSION

Схема запчастей Case IH FARMALL 120A - (21.134.AB[01]) - VAR - 330059, 330061 - POWERSHUTTLE, VALVE (21) - TRANSMISSION
21.134.ab 02
3
8
6
7
8
2
1
5
4
8
9
11
9
10
FIT
1:1
100%

Артикул

Название

Примечание

Количество

1

10790121

NUT,Hex, M10 x 1.25

2шт.

2

84381197

GASKET,0.92mm Thk

Power Shuttle Valve Sealing

1шт.

3

84989629

HYD CONNECTOR,13/16" - 16 ORB x 1" ORFS

Reducer, -8M x -10F ORFS

2шт.

4

87494633

PRESSURE SWITCH

1шт.

5

5183780

SEALING WASHER,9.73mm ID x 18mm OD x 1.5mm Thk

1шт.

6

82983295

PLUG,M14

1шт.

7

11288028

BOLT,Hex, M10 x 1.25 x 60mm, Cl 8.8

2шт.

8

85700672

LOCK WASHER,M10

7шт.

9

11234724

BOLT,Hex, M10 x 1.25 x 45, 8.8

2шт.

10

13450221

STUD,M10 x 1.25 x 55mm, Cl 5.8

2шт.

11

47545067

SCREW,Hex Socket Head, M10 x 1.25 x 60mm, Cl 12.9

1шт.

Выбрано товаров: 0