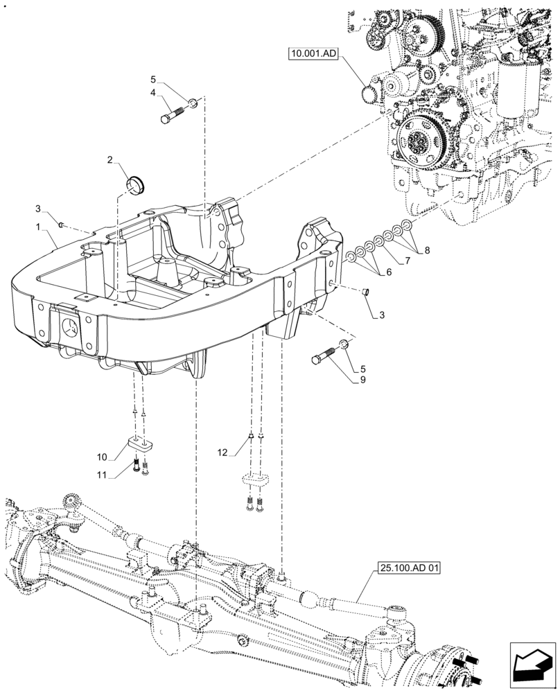
Запчасти Case IH FARMALL 120A (25.100.AV[01]) - VAR - 391292, 3914004, 331497 - AXLE SUPPORT, 4WD, STANDARD DUTY (25) - FRONT AXLE SYSTEM

Схема запчастей Case IH FARMALL 120A - (25.100.AV[01]) - VAR - 391292, 3914004, 331497 - AXLE SUPPORT, 4WD, STANDARD DUTY (25) - FRONT AXLE SYSTEM
3
5
10.001.ad
25.100.ad 01
10
12
11
3
4
2
5
7
8
9
6
1
FIT
1:1
100%

Артикул

Название

Примечание

Количество

1

47487195

SUPPORT

Front Axle 4WD

1шт.

2

82989993

PLUG

Front Support

1шт.

3

85700666

PLASTIC PLUG,17.14mm, 22.22mm OD, 12.70mm D

8шт.

4

15989721

SCREW,Hex, M20 x 1.5

6шт.

5

10572379

WASHER,M20.2 x 33.6 x 6 Thk, HT

8шт.

6

82989331

SHIM

Front Axle 0.015

6шт.

7

82989332

SHIM

Front Axle 0.018

2шт.

8

82989335

SHIM

Front Axle 0.028

6шт.

9

15989521

BOLT,Hex, M20 x 1.5 x 120mm, Cl 8.8

2шт.

10

47677999

STOP

4 Degrees Oscillation Stop

2шт.

Used With Premium Loader

1шт.

Used With Front Fenders

1шт.

11

84299393

HEX SOC SCREW,Hex Socket Button Head, M12 x 1.75 x 35mm, Cl. 10.9

B-HD M12 x 35 10.9 BLO

4шт.

12

47674623

CAP

Less Oscillation Stop

4шт.

Used Without Loader Ready

1шт.

Выбрано товаров: 15