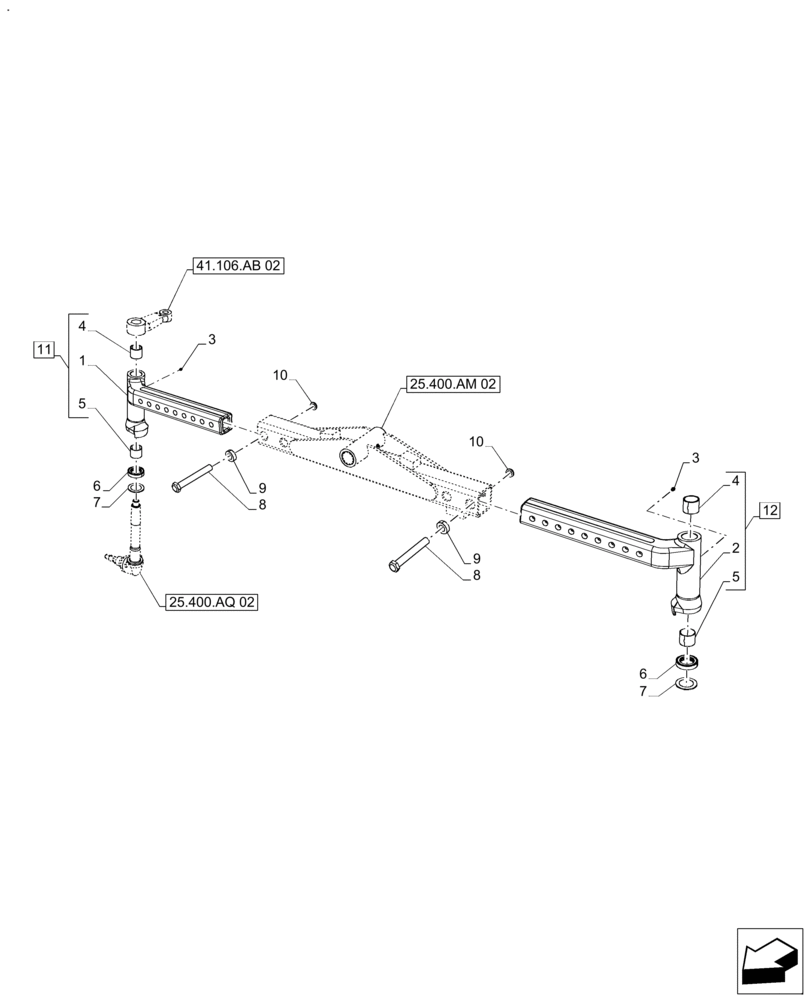
Запчасти Case IH FARMALL 120A (25.400.AD[02]) - VAR - 390373 - 2WD FRONT AXLE, EXTENSION, HEAVY DUTY (25) - FRONT AXLE SYSTEM

Схема запчастей Case IH FARMALL 120A - (25.400.AD[02]) - VAR - 390373 - 2WD FRONT AXLE, EXTENSION, HEAVY DUTY (25) - FRONT AXLE SYSTEM
2
8
41.106.ab 02
3
1
10
7
6
25.400.am 02
10
9
9
5
4
4
7
6
11
25.400.aq 02
12
5
3
8
FIT
1:1
100%

Артикул

Название

Примечание

Количество

1

NSS

NOT SOLD SEPARAT

Axle Front RH, Incl in 11

1шт.

2

NSS

NOT SOLD SEPARAT

Axle Front LH, Incl in 12

1шт.

3

83416243

LUBE NIPPLE,1/4"-28 x .54" L

2шт.

4

83903309

BUSHING,43.84mm ID x 50.86mm OD x 47.75mm L

2шт.

5

81812242

BUSHING,49.3mm ID x 52.51mm OD x 44.45mm L

2шт.

6

81802870

BEARING ASSY

Front Wheel Spindle Thrust

2шт.

7

81864058

SPACER

Front Wheel Spindle Thrust Bearing

2шт.

8

81872164

BOLT

Hex 8.8 M20 x 140

4шт.

9

81872166

SPACER,21mm ID x 39mm OD x 12mm L

4шт.

10

10572379

WASHER,M20.2 x 33.6 x 6 Thk, HT

4шт.

11

82028121

EXTENSION

Axle Assy. Front RH, Incl 1, 4, 5

1шт.

12

82028120

EXTENSION

Axle Assy. Front LH, Incl 2, 4, 5

1шт.

Выбрано товаров: 12