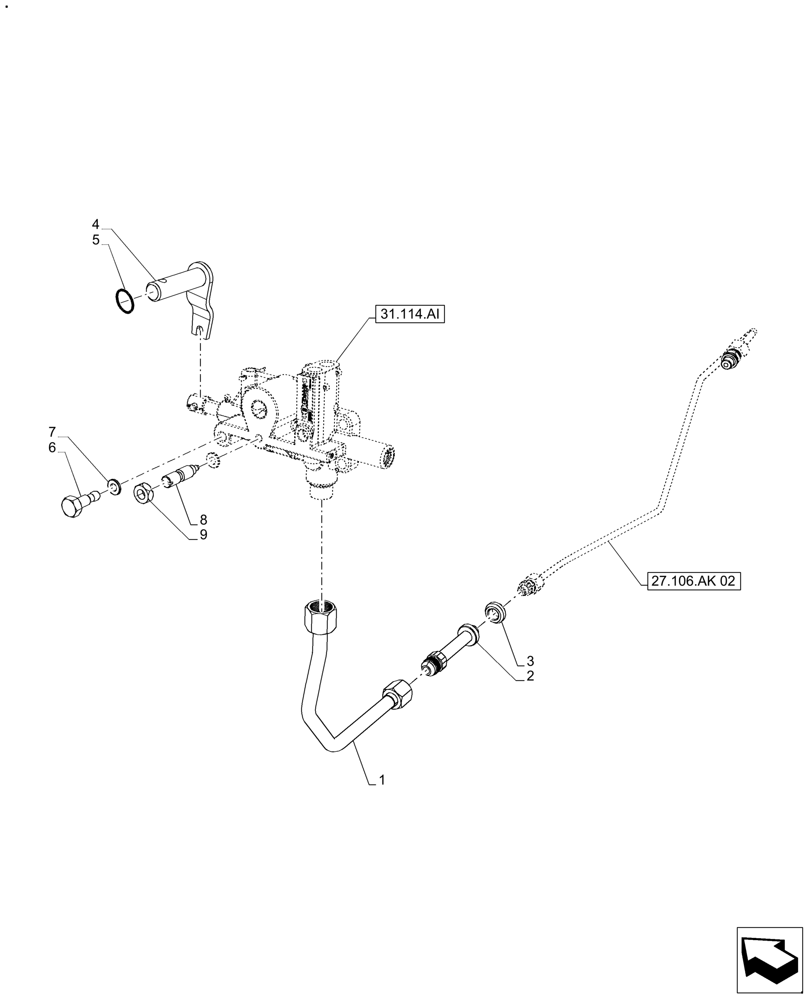
Запчасти Case IH FARMALL 120A (31.104.AR) - VAR - 390340 - PTO, CONTROL VALVE LINE (31) - IMPLEMENT POWER TAKE OFF

Схема запчастей Case IH FARMALL 120A - (31.104.AR) - VAR - 390340 - PTO, CONTROL VALVE LINE (31) - IMPLEMENT POWER TAKE OFF
27.106.ak 02
2
3
6
4
8
9
5
7
1
31.114.ai
FIT
1:1
100%

Артикул

Название

Примечание

Количество

1

47858578

TUBE

Upper PTO Clutch Valve

1шт.

2

73337103

TUBE

Lower PTO

1шт.

3

82006934

OIL SEAL,12.39mm ID x 23.72mm OD x 10.55mm Thk

PTO Tube

1шт.

4

83903402

ARM

Assy. PTO Drive Clutch Actuating

1шт.

5

82983466

O-RING,15.5mm ID x 2.46mm Width

1шт.

6

83929580

PIN,6.9mm OD x 30.5mm L

PTO Drive Clutch Valve Locating

1шт.

7

81817883

SEAL,5.84mm ID x 12.95mm OD x 1.75mm Thk

2шт.

8

83907422

PIN,16.38mm OD x 38.1mm L

1шт.

9

81822615

JAM NUT,3/8"-16, G2

1шт.

Выбрано товаров: 0