Запчасти Case IH FARMALL 120A (33.110.AP[01]) - VAR - 391610, 393315 - PARKING BRAKE, EXTERNAL CONTROL (33) - BRAKES & CONTROLS

Схема запчастей Case IH FARMALL 120A - (33.110.AP[01]) - VAR - 391610, 393315 - PARKING BRAKE, EXTERNAL CONTROL (33) - BRAKES & CONTROLS
4
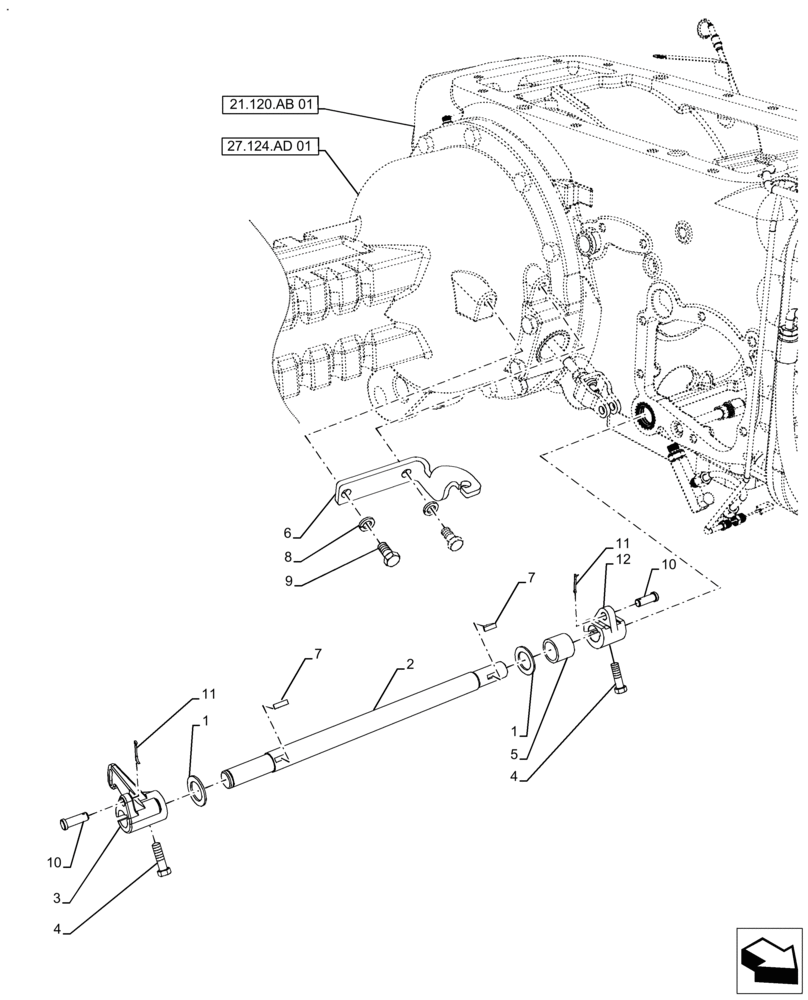
1
3
11
10
7
9
4
11
21.120.ab 01
12
7
10
8
27.124.ad 01
2
6
5
1
FIT
1:1
100%

Артикул

Название

Примечание

Количество

1

81802631

THRUST WASHER,29.02mm ID x 44.4mm OD x 2.39mm Thk

2шт.

2

47445775

SHAFT

1шт.

3

73337194

BRAKE LEVER

1шт.

4

83908974

BOLT,Hex, 7/16" - 14 x 1 1/2", Gr 8

2шт.

5

47445823

BUSHING

28.70mm ID x 47.45mm L

1шт.

6

73337209

BRACKET

Cable

1шт.

7

83416021

WOODRUFF KEY,#A, 1/4" x 7/8", HT

2шт.

8

10517074

LOCK WASHER,12.2mm ID x 21.1mm OD x 3.1mm Thk

2шт.

9

15540324

SCREW,Hex, M12 x 1.25 x 25mm, Cl 8.8, Full Thd

2шт.

10

83948842

CLEVIS PIN,7/16" x 1 1/4"

2шт.

11

85700711

COTTER PIN,3/32" x 1"

2шт.

12

47600097

CAM

Brake Operating

1шт.

Выбрано товаров: 12