Запчасти Case IH FARMALL 120A (33.202.AR) - VAR - 390302 - BRAKE, PUMP, CYLINDER (33) - BRAKES & CONTROLS

Схема запчастей Case IH FARMALL 120A - (33.202.AR) - VAR - 390302 - BRAKE, PUMP, CYLINDER (33) - BRAKES & CONTROLS
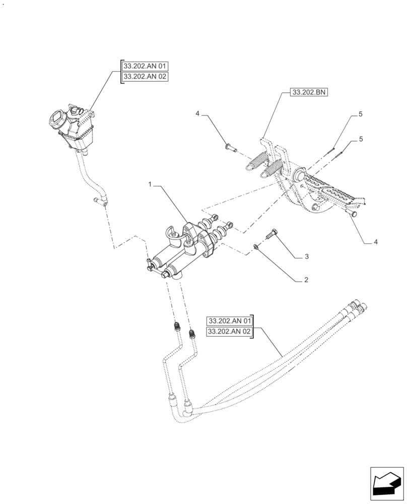
3
33.202.bn
2
4
5
1
33.202.an 01
5
33.202.an 01
33.202.an 02
4
33.202.an 02
FIT
1:1
100%

Артикул

Название

Примечание

Количество

1

81869963

MASTER CYLINDER,65.3mm Stroke

1шт.

2

10571779

LOCK WASHER,Helical Spring, 8.10mm ID x 14.80mm OD x 2.00mm, ZNM

4шт.

3

43127

BOLT,Hex, M8 x 1.25 x 25mm, Cl 8.8

4шт.

4

335040

CLEVIS PIN,M8 x 28mm OAL

2шт.

5

9512667

COTTER PIN,M2 x 20mm OAL

2шт.

Выбрано товаров: 5