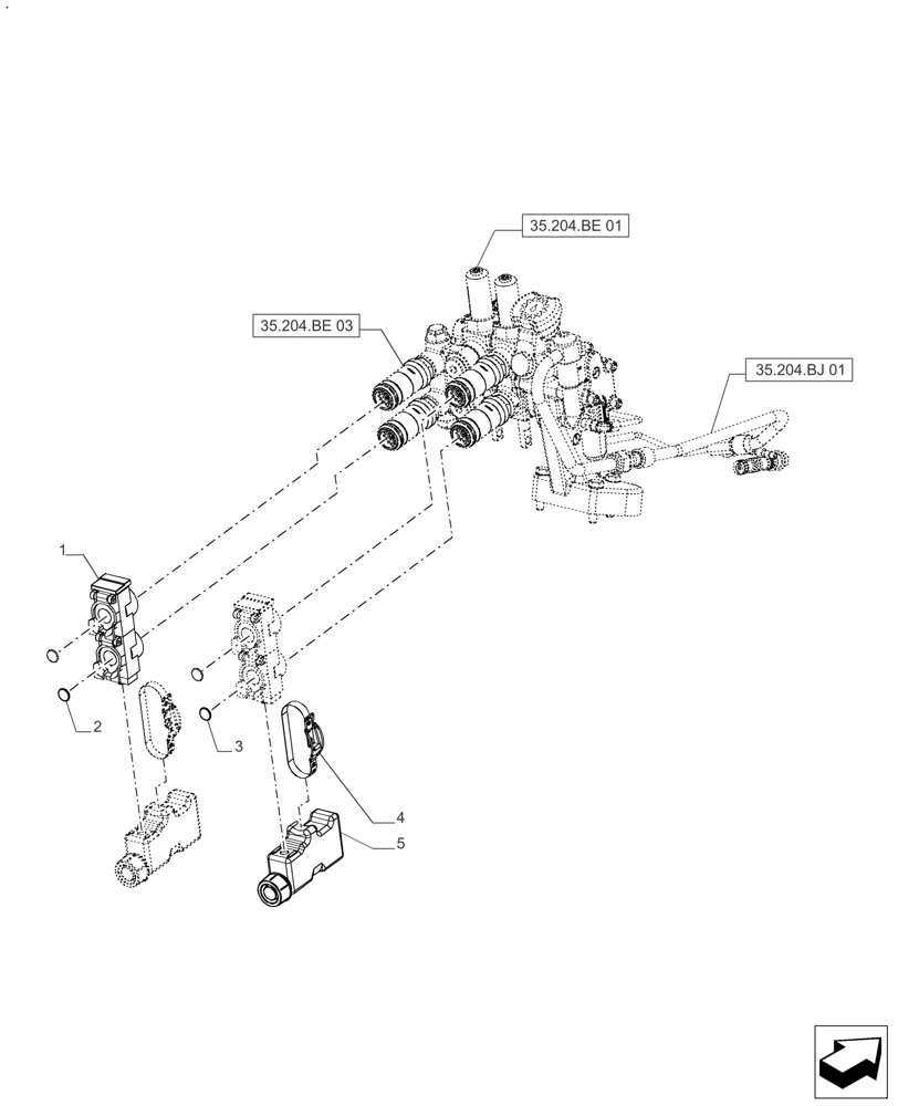
Запчасти Case IH FARMALL 120A (35.204.BE[02]) - VAR - 391267 - 2 REMOTE CONTROL VALVES (35) - HYDRAULIC SYSTEMS

Схема запчастей Case IH FARMALL 120A - (35.204.BE[02]) - VAR - 391267 - 2 REMOTE CONTROL VALVES (35) - HYDRAULIC SYSTEMS
35.204.bj 01
1
4
2
5
3
35.204.be 01
35.204.be 03
FIT
1:1
100%

Артикул

Название

Примечание

Количество

1

82018943

DUST CAP

2шт.

2

82029892

LENS

Disc, Green

2шт.

3

82029893

LENS

Disc, Blue

2шт.

4

82032061

CLIP

Bottle Retaining- CCLS Oil Collection System

2шт.

5

47922580

BOTTLE

Assy. Oil Colection System

2шт.

Выбрано товаров: 5