Запчасти Case IH FARMALL 120A (35.204.BE[05]) - VAR - 334195 - 3 REMOTE CONTROL VALVES (35) - HYDRAULIC SYSTEMS

Схема запчастей Case IH FARMALL 120A - (35.204.BE[05]) - VAR - 334195 - 3 REMOTE CONTROL VALVES (35) - HYDRAULIC SYSTEMS
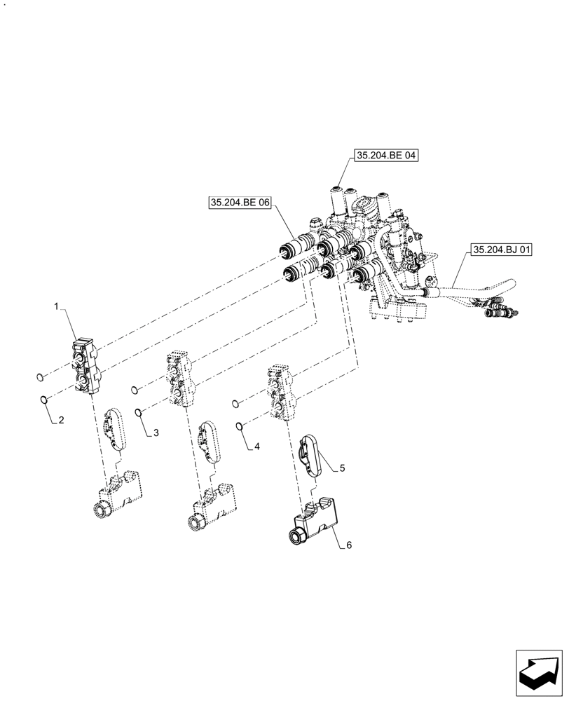
35.204.bj 01
1
3
5
2
4
6
35.204.be 04
35.204.be 06
FIT
1:1
100%

Артикул

Название

Примечание

Количество

1

82018943

DUST CAP

3шт.

2

82029892

LENS

Green

2шт.

3

82029893

LENS

Blue

2шт.

4

82029894

DISC,20mm OD x 5.5mm Thk, Green, PA6+30% Glass Fiber

Brown

2шт.

5

82032061

CLIP

Bottle Retaining - CCLS Oil Collection System

3шт.

6

47922580

BOTTLE

Assy. Oil Collection System

3шт.

Выбрано товаров: 6