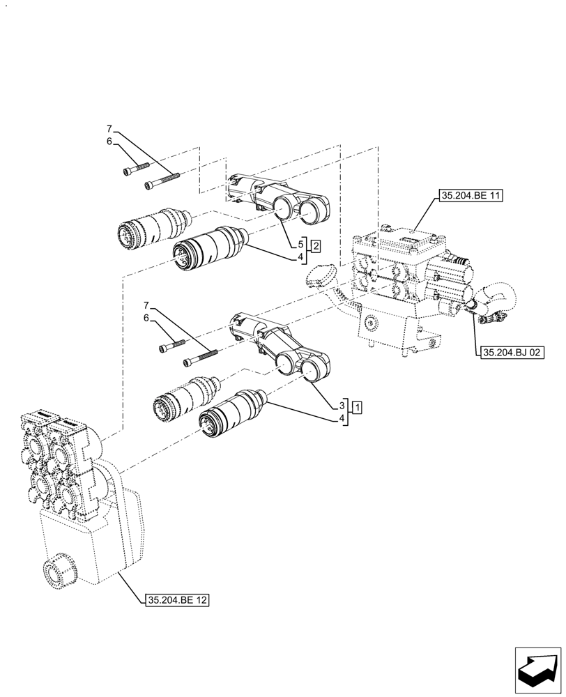
Запчасти Case IH FARMALL 120A (35.204.BE[13]) - VAR - 429472 - 2 REMOTE CONTROL VALVES (35) - HYDRAULIC SYSTEMS

Схема запчастей Case IH FARMALL 120A - (35.204.BE[13]) - VAR - 429472 - 2 REMOTE CONTROL VALVES (35) - HYDRAULIC SYSTEMS
35.204.be 12
1
7
7
2
6
4
6
4
5
3
35.204.bj 02
35.204.be 11
FIT
1:1
100%

Артикул

Название

Примечание

Количество

1

87381958

QUICK MALE COUPLING

Incl 3, 4

1шт.

2

87381963

QUICK MALE COUPLING

Incl 4, 5

1шт.

3

47123058

HOLDER

1шт.

4

47370116

COUPLING

2шт.

5

47123060

Support, Quick Couplers

1шт.

6

47940507

SCREW

Screw, Hex Soc, M6 x 35 12.9 DAC

4шт.

7

47940518

SCREW

Screw, Hex Soc, M6 x 50 12.9 DAC

4шт.

Выбрано товаров: 7