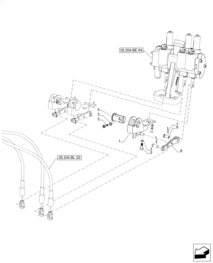
Запчасти Case IH FARMALL 120A (35.204.BL[07]) - VAR - 334195 - 3 REMOTE CONTROL VALVES, ACTUATOR (35) - HYDRAULIC SYSTEMS

Схема запчастей Case IH FARMALL 120A - (35.204.BL[07]) - VAR - 334195 - 3 REMOTE CONTROL VALVES, ACTUATOR (35) - HYDRAULIC SYSTEMS
35.204.bl 02
2
3
5
4
1
8
6
7
3
35.204.be 04
FIT
1:1
100%

Артикул

Название

Примечание

Количество

1

47792122

SUPPORT

Assy. Remote Valve

3шт.

2

14305331

HEX SOC SCREW,M6 x 20mm, Cl 10.9, Full Thd

3шт.

3

86517328

LOCK WASHER,6.1mm ID x 11.8mm OD x 1.7mm Thk

9шт.

4

47600116

PIN

Groove

3шт.

5

14305221

HEX SOC SCREW,M6 x 16mm, Full Thd, Cl 8.8

6шт.

6

86637937

CLEVIS PIN,3/8" x 11/16"

6шт.

7

81813880

COTTER PIN,3/32" x 3/4"

6шт.

8

47792131

CAM

3шт.

Выбрано товаров: 8