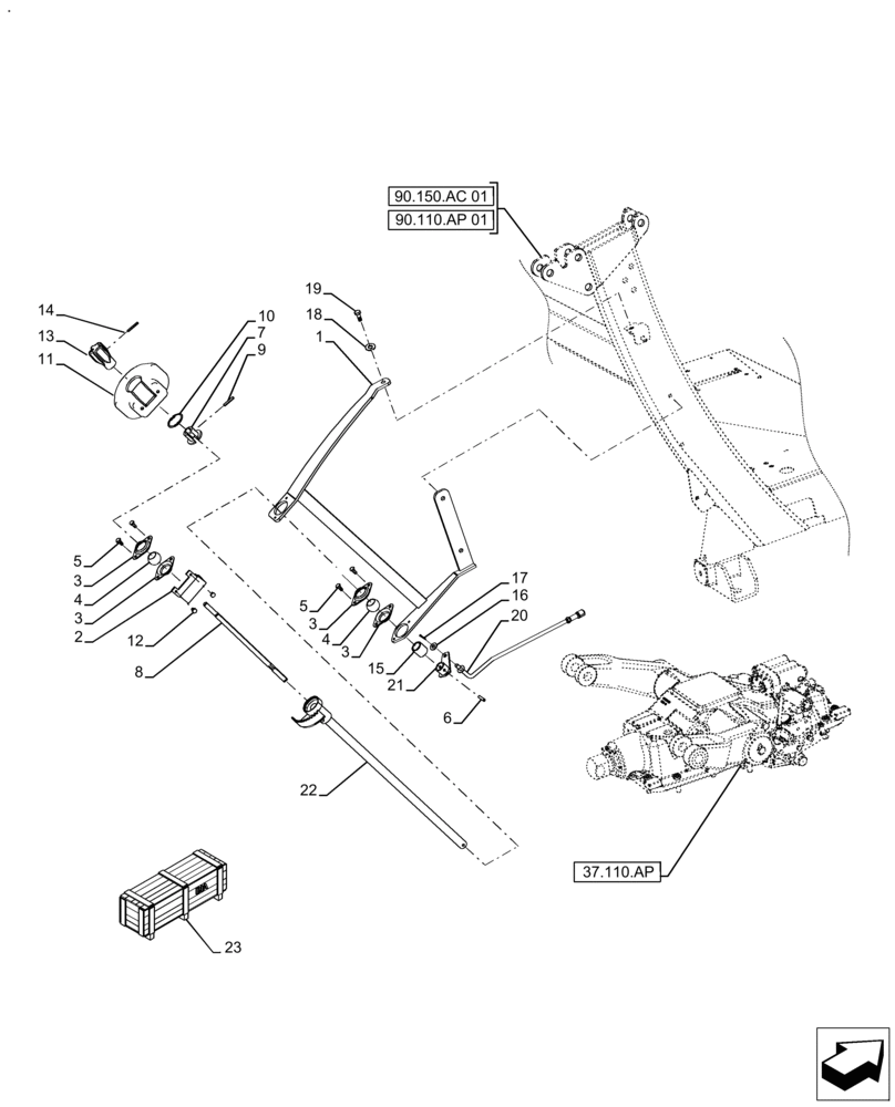
Запчасти Case IH FARMALL 120A (37.108.AE[02]) - VAR - 330845, 718181 - EXTERNAL CONTROL, LEVEL (37) - HITCHES, DRAWBARS & IMPLEMENT COUPLINGS

Схема запчастей Case IH FARMALL 120A - (37.108.AE[02]) - VAR - 330845, 718181 - EXTERNAL CONTROL, LEVEL (37) - HITCHES, DRAWBARS & IMPLEMENT COUPLINGS
90.110.ap 01
14
21
12
15
19
3
20
37.110.ap
2
9
4
6
5
22
11
3
10
4
90.150.ac 01
3
23
1
3
8
5
16
17
18
7
13
FIT
1:1
100%

Артикул

Название

Примечание

Количество

1

47640624

SUPPORT

Assy. External Control

1шт.

2

47640646

SUPPORT

1шт.

3

5110722

CUP

For The Spherical Bush

4шт.

4

5127536

BUSHING,20.5mm ID x 32mm OD

2шт.

5

10902121

SCREW,Hex, M6 x 14mm, Cl 8.8

4шт.

6

13910170

ROLL PIN,M6 x 26, Coiled

1шт.

7

5171002

HUB

1шт.

8

5171022

LEVER

Ground Control

1шт.

9

14601370

LOCK PIN,M5 x 30, Slotted

1шт.

10

11059974

SNAP RING,M40, Int

1шт.

11

5095271

GUARD

External Control Unit Rear Lift Control

1шт.

12

10979424

BOLT,Hex, M6 x 10mm, Cl 8.8, Full Thd

2шт.

13

5144119

KNOB

1шт.

14

14164470

LOCK PIN,M4 x 32, Slotted

1шт.

15

73338644

BUSHING

1шт.

16

86625263

WASHER,9mm ID x 20mm OD x 1.6mm Thk

1шт.

17

81813880

COTTER PIN,3/32" x 3/4"

1шт.

18

83990583

LOCK WASHER,M8 x 14.8mm OD x 2.1mm Thk

1шт.

19

120104

BOLT,Hex, M8 x 1.25 x 20mm, Cl 8.8

1шт.

20

47663458

ROD

Connecting Assy.

1шт.

21

82031536

LEVER

Ground Control Lower Lever

1шт.

22

5170979

CONTROL SHAFT

1шт.

23

47805475

DIA KIT, TRACTOR

External Lift Control For MDC, Incl 1 - 22

1шт.

Выбрано товаров: 23