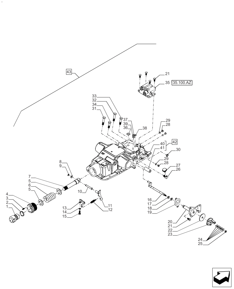
Запчасти Case IH FARMALL 120A (37.110.AP[01]) - VAR - 336784, 339784, 390344 - HYDRAULIC LIFT, COVER (37) - HITCHES, DRAWBARS & IMPLEMENT COUPLINGS

Схема запчастей Case IH FARMALL 120A - (37.110.AP[01]) - VAR - 336784, 339784, 390344 - HYDRAULIC LIFT, COVER (37) - HITCHES, DRAWBARS & IMPLEMENT COUPLINGS
19
2
38
17
21
33
29
5
22
7
10
30
14
6
28
8
39
1
3
15
41
5
18
16
26
11
9
25
24
13
21
34
29
36
35
4
42
40
23
43
12
28
37
32
20
27
35.100.az
31
FIT
1:1
100%

Артикул

Название

Примечание

Количество

1

73338496

YOKE

Hydraulic Lift

1шт.

2

81801557

SEAL,43.18mm ID x 52.58mm OD x 5.18mm Thk

Hydraulic Lift Yoke Dust

1шт.

3

83917274

SET SCREW,3/8"-24, Cup Pt

1шт.

4

81818774

SPRING NUT,3 1/4"-8

1шт.

5

81818853

SEAT/SLOT

Hydraulic Lift Draft Control

2шт.

6

81801613

SPRING

Hydraulic Lift Draft Control

1шт.

7

83925007

PLUNGER

Hydraulic Lift Draft Control

1шт.

8

83909861

WASHER,13.72mm ID x 26.92mm OD x 2.41mm Thk

1шт.

9

81822628

CIRCLIP,1/2"

1шт.

10

83925046

PIN,12.7mm OD x 85.8mm L

1шт.

11

83930800

LINK

Assy. Hydraulic Lift Draft to PSN

1шт.

12

81824002

SPRING

Hydraulic Lift Tension

1шт.

13

83991265

RETAINER

Assy. Hydraulic Lift Spring

1шт.

14

83935787

LOCK WASHER,7/16"

1шт.

15

81870772

BOLT,Hex, 7/16" - 20 x 1 3/8"

1шт.

16

83957374

SHAFT

Hydraulic Lift Control

1шт.

17

83935198

WASHER,16mm ID x 25.4mm OD x 2.44mm Thk

1шт.

18

83946158

SEAL,15.88mm ID x 26.19mm OD x 1.4mm Thk

1шт.

19

81801544

GASKET,0.97mm Thk

1шт.

20

83946157

SUPPORT

Bracket Assy. Hydraulic Lift Control

1шт.

21

81821207

BOLT,Hex, 7/16" - 14 x 1", Gr 5

6шт.

22

83925028

FRICTION WASHER,5.23mm Thk

1шт.

23

83929136

BODY

Hydraulic Lift Selector Actuating

1шт.

24

81870284

CUP WASHER,M11.5 x 28.6 x 0.96 Thk

5шт.

25

82936516

LOCK NUT,7/16"-20

1шт.

26

83957405

ELBOW

Hydraulic Lift Filler Plug

1шт.

27

83925022

BREATHER,.375-18 NPT

Assy. Hydraulic Lift

1шт.

28

83911570

HEX SOCKET PLUG,9/16"-18

3шт.

29

81845037

O-RING,0.078" Thk x 0.468" ID, -906, Cl 6, 90 Duro

3шт.

30

81814307

CUP PLUG,1"

1шт.

31

81874963

BOLT,Hex, 5/8" - 18 x 3", Gr 5

1шт.

32

81821301

BOLT,Hex, 5/8" - 18 x 2 1/4", Gr 5

1шт.

33

83901268

BOLT,Hex, 5/8" - 18 x 2 1/2", Gr 5

1шт.

34

83943785

BOLT,Hex, 5/8"-18 x 3", G5

1шт.

35

47661609

VALVE

Valve Assy. Priority

1шт.

36

83900077

O-RING,1.125" ID x 0.103" Width

1шт.

37

83925620

O-RING,0.103" Thk x 0.362" ID, -110, Cl 6, 90 Duro

1шт.

38

83901443

O-RING,0.07" Thk x 0.614" ID, -16, Cl 6, 90 Duro

1шт.

39

82981950

O-RING,0.103" Thk x 0.487" ID, -112, Cl 6, 90 Duro

2шт.

40

73337792

COVER

Cover, Hydraulic Lift

1шт.

41

81823997

SLEEVE

1шт.

42

47501307

COVER

Cover Assy. Hydraulic Lift, Incl 40, 41

1шт.

43

47605521

COVER

Assy. Hydraulic Lift, Incl 1 - 42

1шт.

Выбрано товаров: 43