Запчасти Case IH FARMALL 120A (37.120.AX[01]) - VAR - 390351 - 3 POINT HITCH (37) - HITCHES, DRAWBARS & IMPLEMENT COUPLINGS

Схема запчастей Case IH FARMALL 120A - (37.120.AX[01]) - VAR - 390351 - 3 POINT HITCH (37) - HITCHES, DRAWBARS & IMPLEMENT COUPLINGS
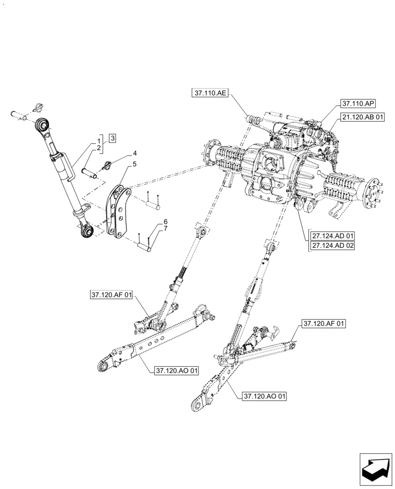
2
37.110.ap
37.120.af 01
4
21.120.ab 01
37.110.ae
37.120.ao 01
5
6
7
37.120.ao 01
3
27.124.ad 01
1
27.124.ad 02
37.120.af 01
FIT
1:1
100%

Артикул

Название

Примечание

Количество

1

NSS

NOT SOLD SEPARAT

Link Assy. Upper Lift, Incl in 3

1шт.

2

82980529

PIN,25.34mm OD x 125.96mm L

2шт.

3

82988763

LINK ARM ASSY KIT

Incl 1, 2

1шт.

4

81810390

LINCH PIN,11.18mm OD

2шт.

5

83991091

ROCKER

1шт.

6

81813916

COTTER PIN,1/8" x 1 1/2"

4шт.

7

82980530

PIN

2шт.

Выбрано товаров: 7