Запчасти Case IH FARMALL 120A (37.120.AX[02]) - VAR - 330148 - 3 POINT HITCH, QUICK-HITCH (37) - HITCHES, DRAWBARS & IMPLEMENT COUPLINGS

Схема запчастей Case IH FARMALL 120A - (37.120.AX[02]) - VAR - 330148 - 3 POINT HITCH, QUICK-HITCH (37) - HITCHES, DRAWBARS & IMPLEMENT COUPLINGS
27.124.ad 01
5
1
7
8
8
4
3
2
6
27.124.ad 02
37.120.ao 03
37.120.ao 03
37.120.af 01
37.120.af 01
37.110.ap 01
37.110.ae
21.120.ab 01
FIT
1:1
100%

Артикул

Название

Примечание

Количество

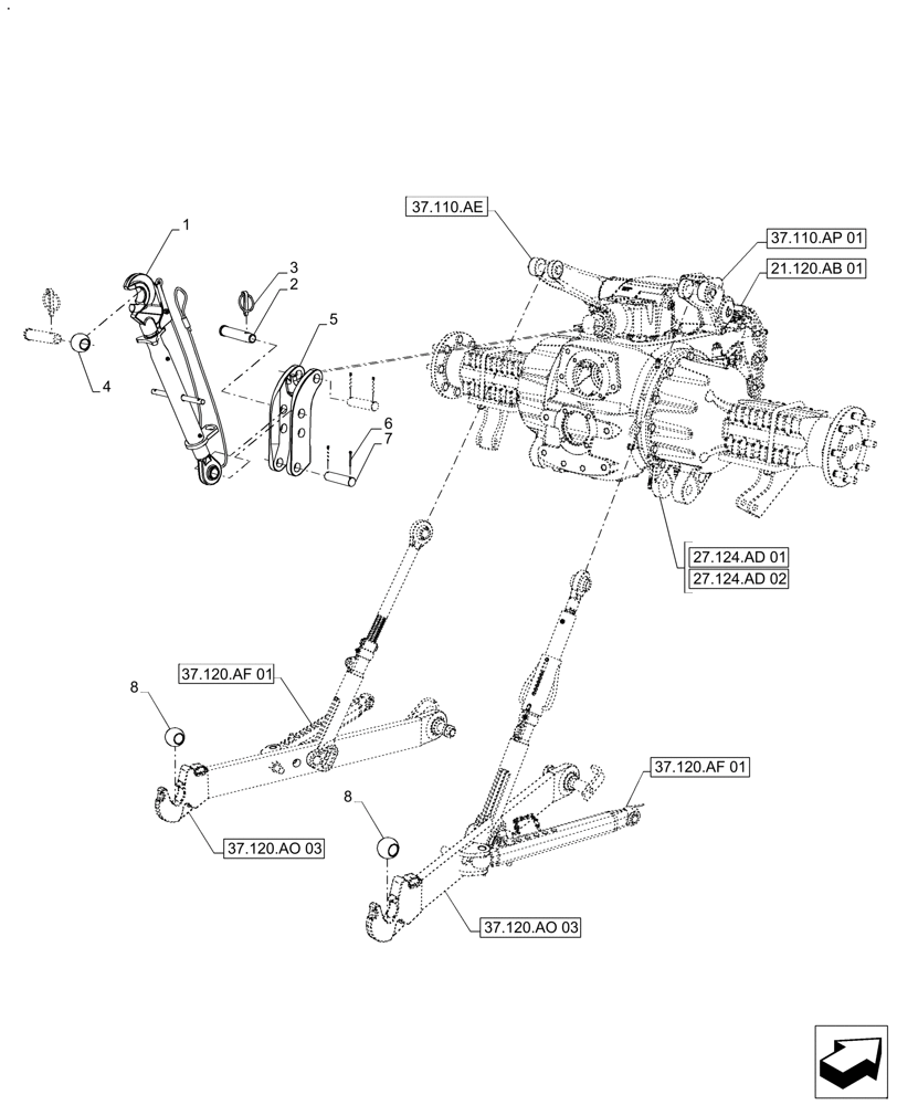
1

73337085

TOP LINK

Quick

1шт.

2

82980529

PIN,25.34mm OD x 125.96mm L

2шт.

3

81810390

LINCH PIN,11.18mm OD

2шт.

4

73337426

BALL,28mm ID x 50mm OD

Top Link

1шт.

5

83991091

ROCKER

Hydraulic Lift Upper

1шт.

6

81813916

COTTER PIN,1/8" x 1 1/2"

4шт.

7

82980530

PIN

2шт.

8

73337382

BALL,28.83mm ID x 55.88mm OD

Lower Lift Link

2шт.

Выбрано товаров: 8