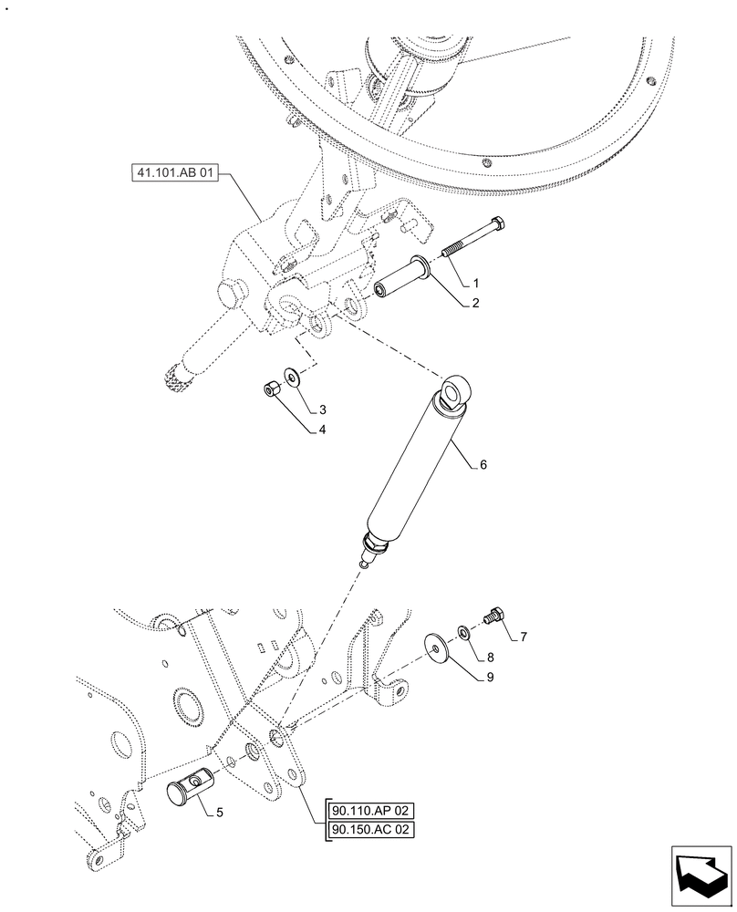
Запчасти Case IH FARMALL 120A (41.101.AB[02]) - VAR - 391644,393315 - GAS STRUT, STEERING COLUMN (41) - STEERING

Схема запчастей Case IH FARMALL 120A - (41.101.AB[02]) - VAR - 391644,393315 - GAS STRUT, STEERING COLUMN (41) - STEERING
9
4
5
8
3
7
2
41.101.ab 01
1
6
90.150.ac 02
90.110.ap 02
FIT
1:1
100%

Артикул

Название

Примечание

Количество

1

10903821

BOLT,Hex, M6 x 60mm, Cl 8.8

1шт.

2

84219498

SHAFT

1шт.

3

14498801

WASHER,6.4mm ID x 16.3mm OD x 1mm Thk

1шт.

4

12574211

NUT,M6 x 1, Cl 8

1шт.

5

84219532

PIN,20mm OD x 33.5mm L

1шт.

6

47395995

GAS STRUT

1шт.

7

10902021

BOLT,Hex, M6 x 12mm, Cl 8.8

1шт.

8

10615479

LOCK WASHER,6.4mm ID x 11mm OD x 0.7mm Thk

1шт.

9

12640604

WASHER,6.15mm ID x 25mm OD x 2mm Thk

1шт.

Выбрано товаров: 9