Запчасти Case IH FARMALL 120A (41.216.AB[01]) - VAR - 330403 - 2WD FRONT AXLE, OPERATING CYLINDER, STANDARD DUTY (41) - STEERING

Схема запчастей Case IH FARMALL 120A - (41.216.AB[01]) - VAR - 330403 - 2WD FRONT AXLE, OPERATING CYLINDER, STANDARD DUTY (41) - STEERING
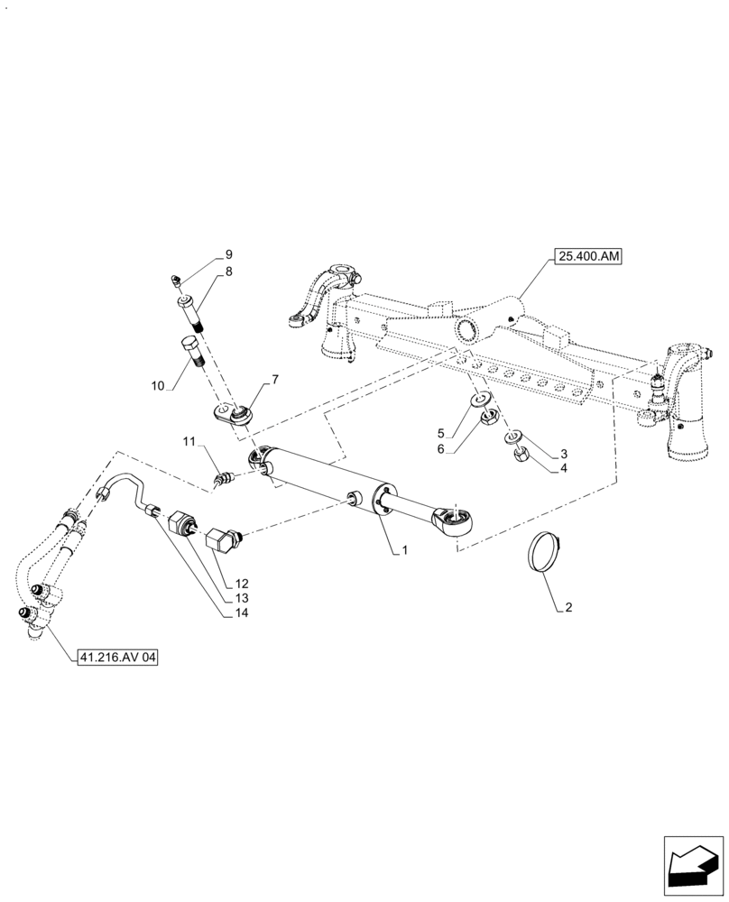
2
14
8
25.400.am
6
10
7
41.216.av 04
5
13
11
1
3
4
9
12
FIT
1:1
100%

Артикул

Название

Примечание

Количество

1

82987884

STEERING CYLINDER

1шт.

Use with Tie-Rod 82981597

1шт.

Before ECO 35213322

1шт.

1

47927925

STEERING CYLINDER

Cylinder, Steering Assy.

1шт.

Use with Tie-Rod 47927923

1шт.

After ECO 35213322

1шт.

2

81826032

HOSE CLAMP,3.25"

1шт.

3

82981447

WASHER,17.52mm ID x 36mm OD x 4mm Thk

1шт.

4

83991073

NUT,5/8"-18

1шт.

5

83917657

WASHER,20.1mm ID x 43.7mm OD x 3.17mm Thk

1шт.

6

81818699

NUT,3/4"-10, G5

1шт.

7

82981446

PIVOT PLATE

Bushing, Grooved

1шт.

8

82981445

PIN,28mm OD x 82mm L

Cylinder Support

1шт.

9

81818824

LUBE NIPPLE,90 Degree, 1/8"-27 NPT

1шт.

10

81827592

BOLT,Hex, 3/4" - 10 x 2", Gr 8

1шт.

11

83958374

45 ELBOW,9/16"-18, 37° x 9/16"-18, O-Ring

1шт.

12

82983407

ELBOW,90 Degree, 9/16"-18 ORB x M18

1шт.

13

82983361

CHECK VALVE

1шт.

14

82989771

HYD TUBE

Steering Cylinder

1шт.

Выбрано товаров: 19