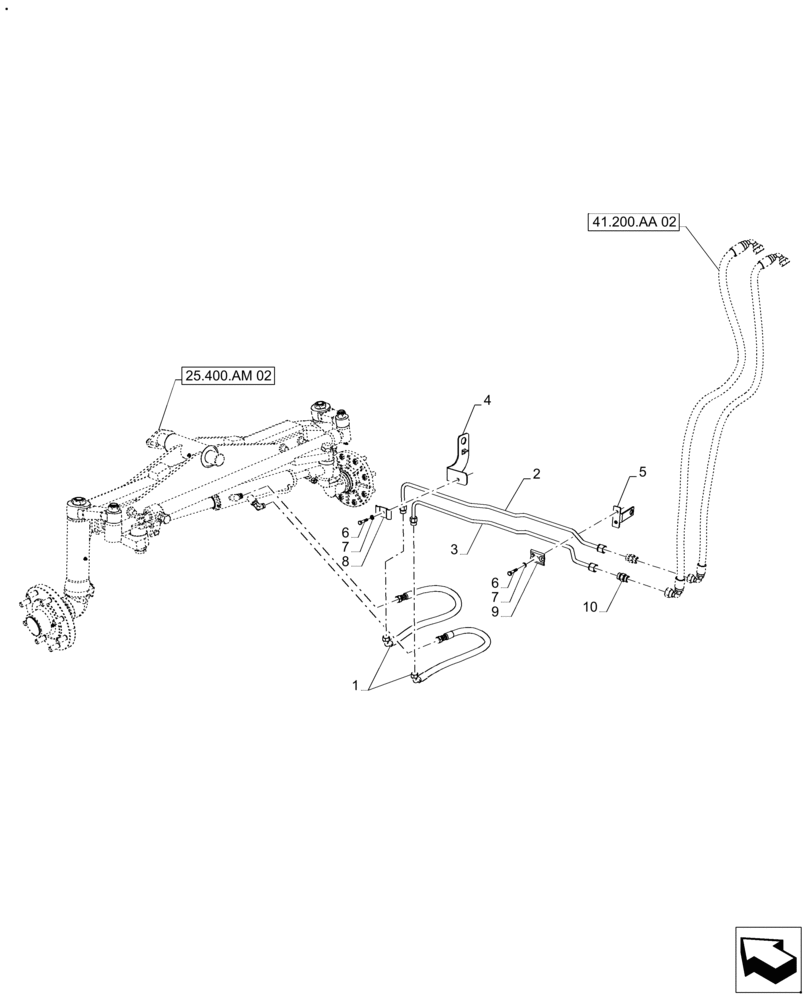
Запчасти Case IH FARMALL 120A (41.216.AV[05]) - VAR - 390373 - STEERING, HYDRAULIC LINE, 2WD, HEAVY DUTY (41) - STEERING

Схема запчастей Case IH FARMALL 120A - (41.216.AV[05]) - VAR - 390373 - STEERING, HYDRAULIC LINE, 2WD, HEAVY DUTY (41) - STEERING
6
10
25.400.am 02
2
1
3
6
4
5
7
7
41.200.aa 02
9
8
FIT
1:1
100%

Артикул

Название

Примечание

Количество

1

82036370

HOSE

Power Steering

2шт.

2

73338548

TUBE

Front Up Steering LH

1шт.

3

73338551

TUBE

Front Low Steering LH

1шт.

4

47667834

SUPPORT

2WD, HD

1шт.

5

82988461

SUPPORT

Side Support Assy. Steering Tubes

1шт.

6

10902821

SCREW,Hex, M6 x 30mm, Cl 8.8

2шт.

7

83935046

LOCK WASHER,Helical Spring, 1/4" ID x 0.489" OD x 0.062" Thk

2шт.

8

73338524

CLAMP

Power Steering Tubes

1шт.

9

85700613

CLAMP,1.75mm W x 0.20mm Thk

Power Steering, Pipe Mounting Bracket

1шт.

10

84431546

UNION,11/16"-16 ORFS

2шт.

Выбрано товаров: 10