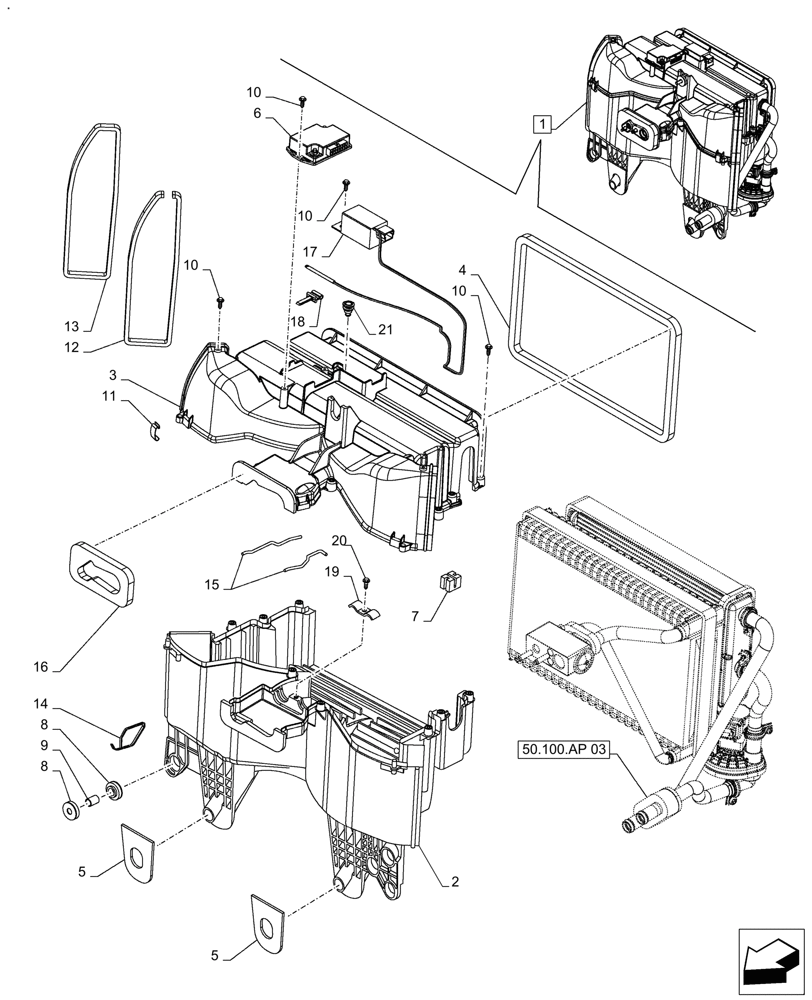
Запчасти Case IH FARMALL 120A (50.100.AP[02]) - VAR - 390646 - AIR CONDITIONER, COMPONENTS (50) - CAB CLIMATE CONTROL

Схема запчастей Case IH FARMALL 120A - (50.100.AP[02]) - VAR - 390646 - AIR CONDITIONER, COMPONENTS (50) - CAB CLIMATE CONTROL
50.100.ap 03
5
7
5
3
2
4
8
8
10
10
20
12
18
10
14
6
17
16
9
15
21
11
19
13
10
1
FIT
1:1
100%

Артикул

Название

Примечание

Количество

1

47830619

HEAT EXCHANGER

Assy. Incl 2 - 21

1шт.

2

84579666

BOX

Lower

1шт.

3

84579668

BOX

Upper

1шт.

4

84579696

FOAM INSULATION

Front

1шт.

5

84579698

SEAL

2шт.

6

84579702

MODULE

Driver, Stepper Motor

1шт.

7

84579704

GROMMET

Retainer

1шт.

8

84582260

RUBBER BUSHING

Bushing, Rubber

6шт.

9

84582274

SPACER

Bushing, Rubber

3шт.

10

84579772

BOLT,Flng, M4 x 12mm

11шт.

11

84579773

CLIP

4шт.

12

84579778

SEAL

2шт.

13

84579779

RUBBER SEAL

2шт.

14

84579782

STRIP

Silent Block

2шт.

15

84579787

O-RING

2шт.

16

84579697

SEAL

1шт.

17

84579703

SENSOR

Assy. Temperature

1шт.

18

84579784

CLIP

1шт.

19

84579788

BRACKET

Assy. Evaporator Tubes

1шт.

20

84579789

BOLT,M4.8 x 13mm

4.8 x 13mm

1шт.

21

47832399

CAP

Cap Of Braket For Fixing AC Tube

1шт.

Выбрано товаров: 21