Запчасти Case IH FARMALL 120A (50.100.AQ[01]) - VAR - 390646 - HEATER, LINE (50) - CAB CLIMATE CONTROL

Схема запчастей Case IH FARMALL 120A - (50.100.AQ[01]) - VAR - 390646 - HEATER, LINE (50) - CAB CLIMATE CONTROL
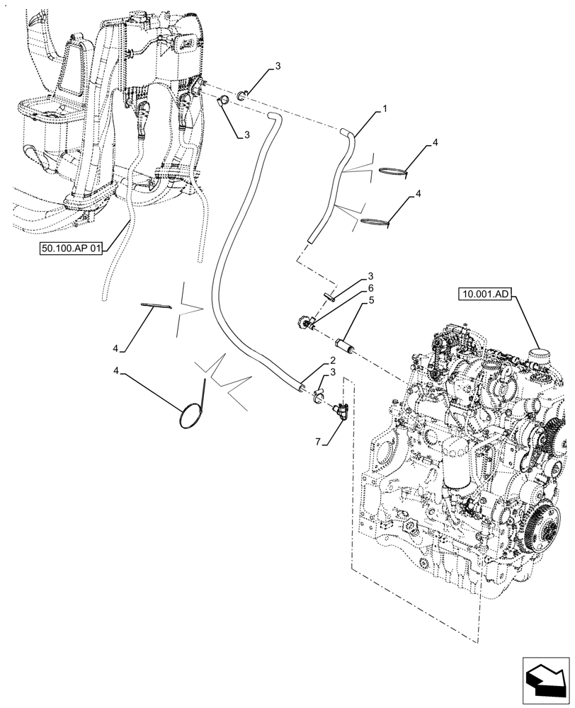
10.001.ad
4
4
4
7
3
5
2
4
3
6
1
3
3
50.100.ap 01
FIT
1:1
100%

Артикул

Название

Примечание

Количество

1

47558807

HOSE

Heating Supply Engine

1шт.

2

47789864

HEATER HOSE

Return Cab - Engine

1шт.

3

82878201

CLAMP,22 - 32

4шт.

4

83933061

STRAP

Cable Tie, 7 x 0.193in

5шт.

5

47553997

ADAPTER

3/4-14 to 3/8-18 NPTF, 80mm

1шт.

6

47553996

HEATER VALVE

V404P - 10 - 6

1шт.

7

47788182

MULTIPOLE CONNECTOR

Connector Braze Assy. NG12 x 5/8 BARB OR

1шт.

Выбрано товаров: 7