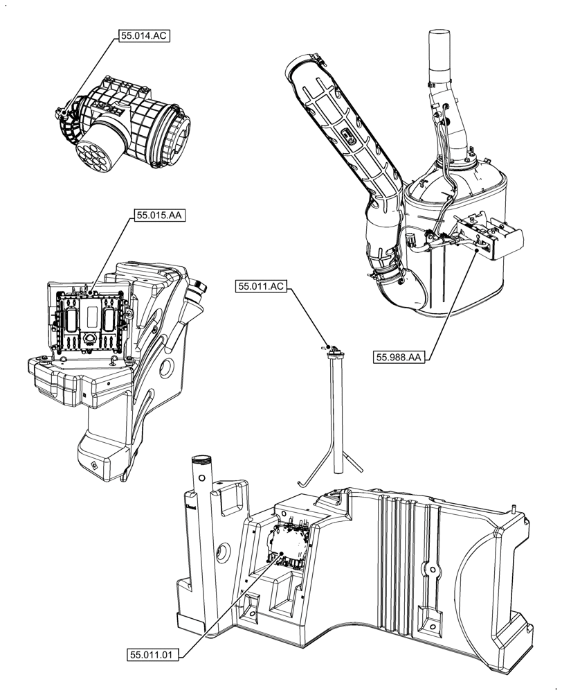
Запчасти Case IH FARMALL 120A (55.000.00[02]) - PICTORIAL INDEX - ELECTRICAL SYSTEMS (55) - ELECTRICAL SYSTEMS

Схема запчастей Case IH FARMALL 120A - (55.000.00[02]) - PICTORIAL INDEX - ELECTRICAL SYSTEMS (55) - ELECTRICAL SYSTEMS
55.011.01
55.988.aa
55.015.aa
55.011.ac
55.014.ac
FIT
1:1
100%