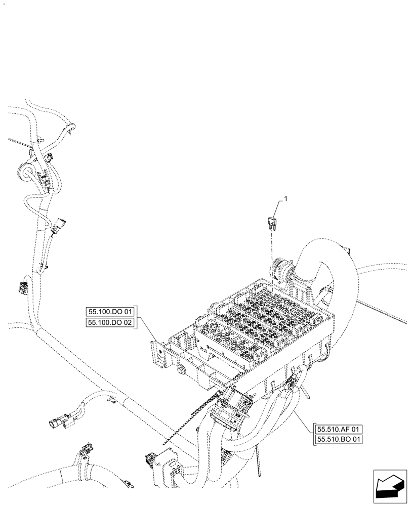
Запчасти Case IH FARMALL 120A (55.100.DO[04]) - VAR - 330196, 393315 - FUSE, CONTROL, LOADER (55) - ELECTRICAL SYSTEMS

Схема запчастей Case IH FARMALL 120A - (55.100.DO[04]) - VAR - 330196, 393315 - FUSE, CONTROL, LOADER (55) - ELECTRICAL SYSTEMS
55.510.bo 01
1
55.100.do 02
55.100.do 01
55.510.af 01
FIT
1:1
100%

Артикул

Название

Примечание

Количество

1

84152583

FUSE,7.5A, Mini, Brown

1шт.

Выбрано товаров: 1