Запчасти Case IH FARMALL 120A (55.405.CW) - VAR - 391610 - BRAKE, SWITCH (55) - ELECTRICAL SYSTEMS

Схема запчастей Case IH FARMALL 120A - (55.405.CW) - VAR - 391610 - BRAKE, SWITCH (55) - ELECTRICAL SYSTEMS
55.510.af 01
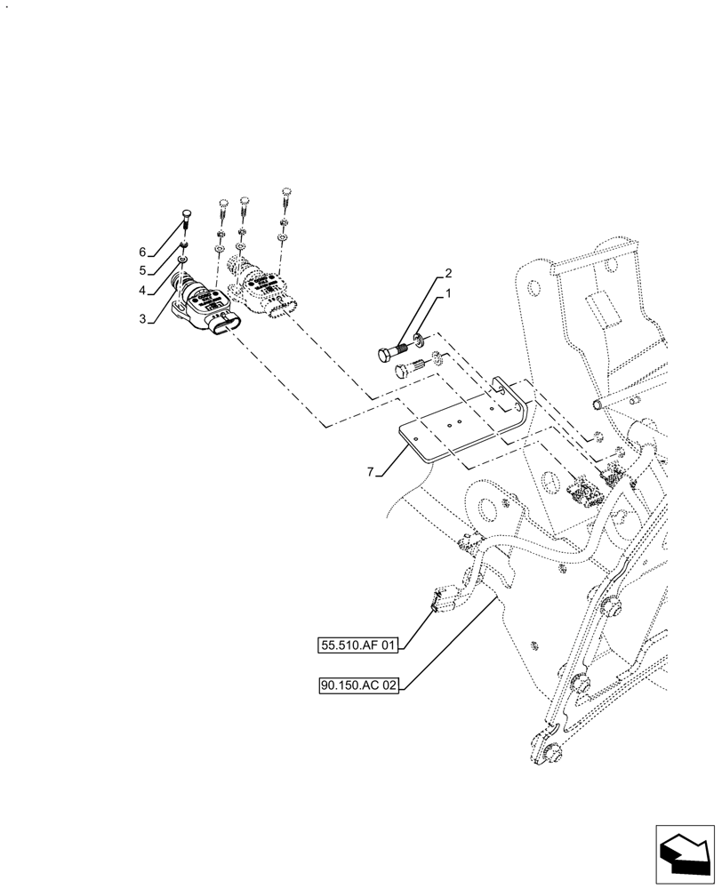
6
3
2
7
4
5
1
90.150.ac 02
FIT
1:1
100%

Артикул

Название

Примечание

Количество

1

83990583

LOCK WASHER,M8 x 14.8mm OD x 2.1mm Thk

2шт.

2

43127

BOLT,Hex, M8 x 1.25 x 25mm, Cl 8.8

2шт.

3

47137022

SWITCH

Snap Action

2шт.

4

9824840

WASHER,4.3mm ID x 9mm OD x 0.8mm Thk

4шт.

5

10569074

LOCK WASHER

Washer, Lock, Helical 4.1 x 7 x 1.2 C72 ZNM

4шт.

6

86511824

SCREW,Phillips Drive, Pan HD, M4 x 0.7 x 20mm, Cl 4.8

4шт.

7

48131814

Foot Brake Switches

BRACKET

1шт.

Выбрано товаров: 7