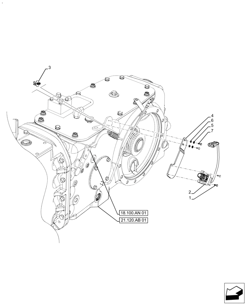
Запчасти Case IH FARMALL 120A (55.618.AI[03]) - VAR - 336939, 390844 - LIMIT SWITCH, PTO, CAB (55) - ELECTRICAL SYSTEMS

Схема запчастей Case IH FARMALL 120A - (55.618.AI[03]) - VAR - 336939, 390844 - LIMIT SWITCH, PTO, CAB (55) - ELECTRICAL SYSTEMS
21.120.ab 01
7
6
5
18.100.an 01
1
2
3
4
FIT
1:1
100%

Артикул

Название

Примечание

Количество

1

44334

SCREW,Cross Pan Hd, M4 x 12

2шт.

2

87484879

LIMIT SWITCH

Snap Action Push Switch

1шт.

3

82033028

CABLE TIE,170mm L

1шт.

4

47767776

BRACKET

Bracket, PTO Switch

1шт.

5

86517328

LOCK WASHER,6.1mm ID x 11.8mm OD x 1.7mm Thk

2шт.

6

86588450

WASHER,6.6mm ID x 12mm OD x 1.6mm Thk

2шт.

7

86977786

BOLT,Hex, M6 x 1 x 25mm, Cl 8.8

2шт.

Выбрано товаров: 7