Запчасти Case IH FARMALL 120A (88.100.35[11]) - VAR - 439152, 439153 - DIA KIT, MID MOUNT VALVE KIT, LOADER (88) - ACCESSORIES

Схема запчастей Case IH FARMALL 120A - (88.100.35[11]) - VAR - 439152, 439153 - DIA KIT, MID MOUNT VALVE KIT, LOADER (88) - ACCESSORIES
35.204.be 14
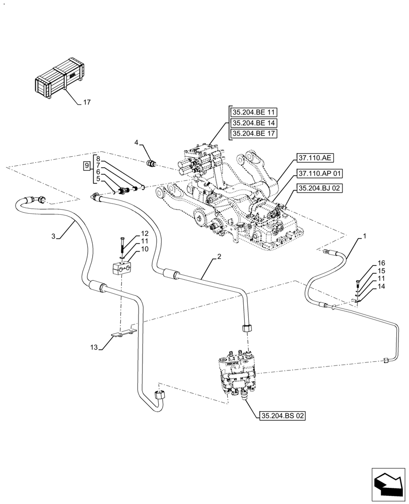
3
1
4
15
2
13
10
17
16
6
8
5
12
9
7
11
11
35.204.bs 02
14
35.204.bj 02
35.204.be 17
35.204.be 11
37.110.ap 01
37.110.ae
FIT
1:1
100%

Артикул

Название

Примечание

Количество

1

47922596

TUBE

Hose Outsensing Line

1шт.

2

47922595

TUBE

Hose Pressure Line

1шт.

3

47922594

TUBE

Hose Return Line

1шт.

4

47651589

FITTING

Connector, Hydraulic Assy. Special

1шт.

5

9992069

O-RING,0.07" Thk x 0.614" ID, -16, Cl 6, 90 Duro

1шт.

6

47660074

Connector, Hollow Screw

1шт.

7

73335072

Filter

1шт.

8

81826567

O-RING,0.116" Thk x 0.924" ID, -912, Cl 6, 90 Duro

1шт.

9

47663373

ADAPTER

Valve Fit, Incl 5 - 8

1шт.

10

87000151

CLAMP

2 Hole 19.05 x 19.05mm Dia Ribbed

1шт.

11

86625263

WASHER,9mm ID x 20mm OD x 1.6mm Thk

2шт.

12

120061

BOLT,Hex, M8 x 60mm L, Cl 8.8

1шт.

13

47930759

BRACKET

Loader Tube

1шт.

14

86639010

CLAMP,9.5mm, Coat, 13.5mm Bolt Hole, P Type

1шт.

15

10571779

LOCK WASHER,Helical Spring, 8.10mm ID x 14.80mm OD x 2.00mm, ZNM

1шт.

16

43127

BOLT,Hex, M8 x 1.25 x 25mm, Cl 8.8

1шт.

17

47932553

KIT

Assy. Mid Mounted Loader, Cab, Incl 1 - 16

1шт.

To See the Full DIA KIT Composition Look for All the Figures Where the DIA KIT P/N is Shown

1шт.

17

47932567

KIT

Kit Assy. Mid Mounted Loader, Rops, Incl 1 - 16

1шт.

To See the Full DIA KIT Composition Look for All the Figures Where the DIA KIT P/N is Shown

1шт.

Выбрано товаров: 20