Запчасти Case IH FARMALL 120A (88.100.35[21]) - VAR - 720370 - DIA KIT, TRAILER BRAKE (88) - ACCESSORIES

Схема запчастей Case IH FARMALL 120A - (88.100.35[21]) - VAR - 720370 - DIA KIT, TRAILER BRAKE (88) - ACCESSORIES
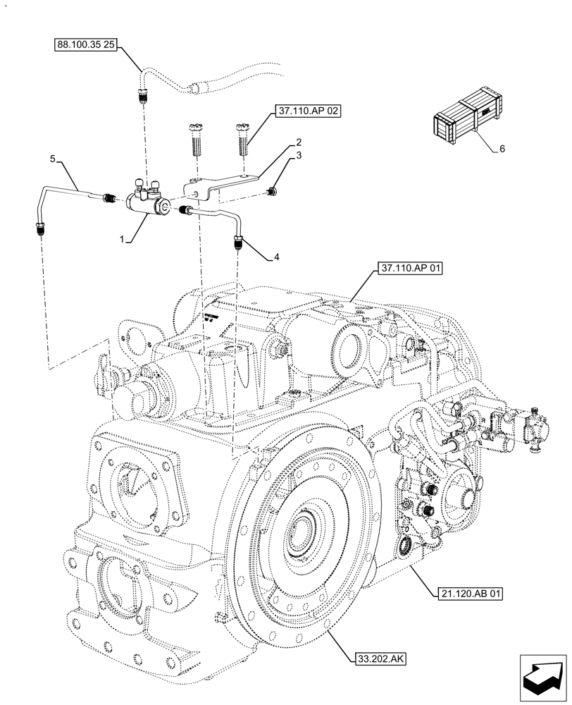
33.202.ak
2
4
5
6
3
1
88.100.35 25
37.110.ap 01
21.120.ab 01
37.110.ap 02
FIT
1:1
100%

Артикул

Название

Примечание

Количество

1

5143506

MASTER CYLINDER

1шт.

2

48019313

Support, TBV Valve

1шт.

3

300380

BOLT,Hex, M8 x 1.25 x 10mm, Cl 8.8, Full Thd

1шт.

4

48019339

Brake Line, RH

1шт.

5

48019334

Brake Line, LH

1шт.

6

48048942

KIT

Trailer Brake, Incl 1 - 5

1шт.

To See the Full DIA KIT Composition Look for All the Figures Where the DIA KIT P/N is Shown

1шт.

Выбрано товаров: 7