Запчасти Case IH FARMALL 120A (90.110.BD) - VAR - 334742, 718153 - FLOOR MAT, W/O CAB (90) - PLATFORM, CAB, BODYWORK AND DECALS

Схема запчастей Case IH FARMALL 120A - (90.110.BD) - VAR - 334742, 718153 - FLOOR MAT, W/O CAB (90) - PLATFORM, CAB, BODYWORK AND DECALS
4
2
3
5
1
90.110.ap 01
4
2
3
FIT
1:1
100%

Артикул

Название

Примечание

Количество

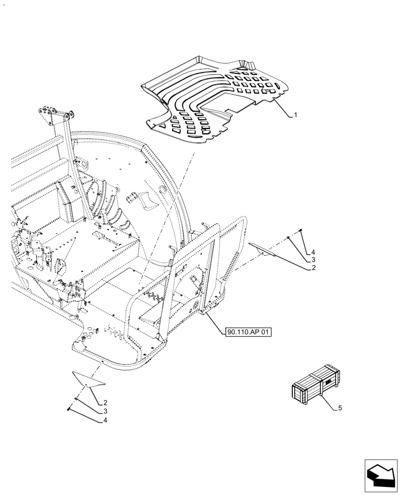
1

47651150

FLOOR MAT

1шт.

2

47764964

SUPPORT

Floor Mat

2шт.

3

86624182

WASHER,6.6mm ID x 18mm OD x 1.6mm Thk

2шт.

4

120100

BOLT,M6 x 20mm, Cl 8.8

2шт.

5

47805456

DIA KIT, TRACTOR

Floor Mat, Incl 1 - 4

1шт.

Выбрано товаров: 5