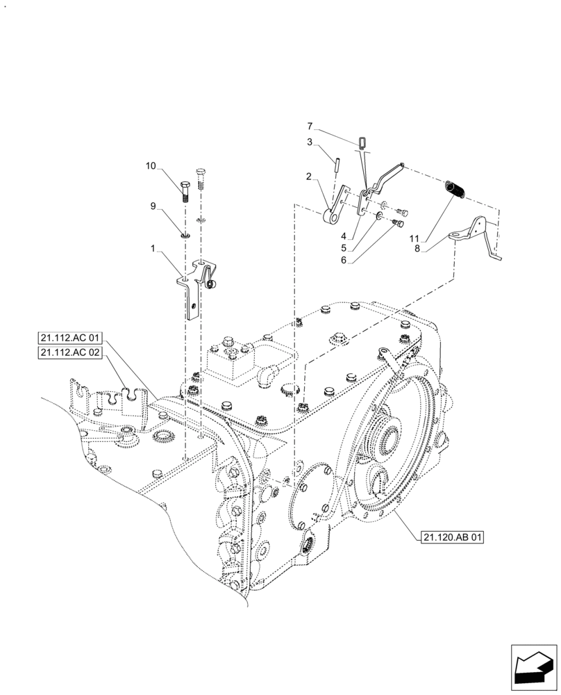
Запчасти Case IH FARMALL 120A (18.100.AN[01]) - VAR - 336939, 390844 - PTO CLUTCH, CONTROL LEVER, CAB (18) - CLUTCH

Схема запчастей Case IH FARMALL 120A - (18.100.AN[01]) - VAR - 336939, 390844 - PTO CLUTCH, CONTROL LEVER, CAB (18) - CLUTCH
21.112.ac 02
11
9
3
21.112.ac 01
2
7
8
1
10
21.120.ab 01
4
6
5
FIT
1:1
100%

Артикул

Название

Примечание

Количество

1

47762158

BRACKET

Assy. PTO

1шт.

2

47530317

SUPPORT

Shaft Lever, PTO

1шт.

3

83900510

SLOTTED PIN,1/4" x 1 1/4" L

1шт.

4

47850041

BRACKET

Cable PTO

1шт.

5

322358

BELLEVILLE WASHER,M8 Bolt Size x 18mm OD x 1.4mm Thk

2шт.

6

16043324

BOLT,Hex, M8 x 1.25 x 18mm, Cl 8.8, Full Thd

2шт.

7

47604109

LOCK

Lock, PTO

1шт.

8

47765379

BRACKET

Spring, PTO

1шт.

9

85700672

LOCK WASHER,M10

2шт.

10

86637966

BOLT,Hex, M10 x 1.25 x 35mm, Cl 8.8, Full Thd

2шт.

11

5153180

SPRING,21mm OD x 84mm L

Brake Pedal

1шт.

Выбрано товаров: 11