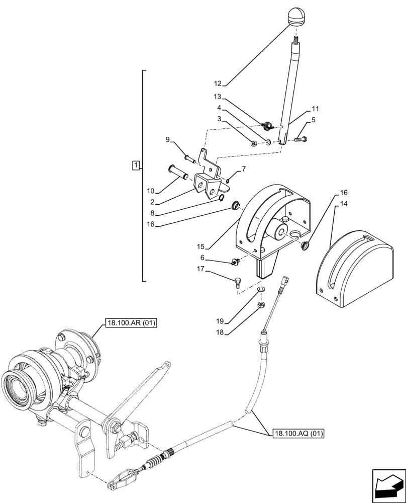
Запчасти Case IH FARMALL 120C (18.100.AN[01]) - VAR - 743565, 743566, 743594 - PTO CLUTCH, CONTROL LEVER, W/O CAB (18) - CLUTCH

Схема запчастей Case IH FARMALL 120C - (18.100.AN[01]) - VAR - 743565, 743566, 743594 - PTO CLUTCH, CONTROL LEVER, W/O CAB (18) - CLUTCH
12
3
4
15
13
16
18
19
8
7
6
18.100.ar (01)
10
1
5
18.100.aq (01)
14
9
2
17
11
16
FIT
1:1
100%

Артикул

Название

Примечание

Количество

1

47674009

SUPPORT

ASSY, Incl 2 - 17

1шт.

2

84336174

SUPPORT

1шт.

3

12574211

NUT,M6 x 1, Cl 8

1шт.

4

14499301

WASHER,M6 x 12.00mm OD x 1.60mm Overwrite

1шт.

5

10902811

BOLT,M6 x 30, 5.8

1шт.

6

5098024

RIVET,6mm OD x 11mm L

4шт.

7

11065476

SNAP RING,M6, Ext

1шт.

8

11066076

SNAP RING,M12, Ext

1шт.

9

5098021

PIN,6mm OD x 24.6mm L

1шт.

10

5098020

PTO SHAFT,11.98mm OD x 46.5mm L

1шт.

11

87611329

LEVER

1шт.

12

5171717

KNOB

Yellow

1шт.

13

5098823

SPRING,Extension, 18mm OD x 30mm L

1шт.

14

5098019

COVER

1шт.

15

84291917

SUPPORT

1шт.

16

5171734

BUSHING,12mm ID x 20mm OD x 7mm L

2шт.

17

16043411

BOLT,Hex, M8 x 1.25 x 20mm, Cl 5.8, Full Thd

3шт.

18

16100814

NUT,M8, Cl 8, DAC

3шт.

19

11193874

BELLEVILLE WASHER,M8 Bolt Size x 16mm OD x 1.4mm Thk

3шт.

Выбрано товаров: 19