Запчасти Case IH FARMALL 120C (18.100.AR[01]) - VAR - 336842, 390067, 743546, 744576 - PTO CLUTCH, THRUST BEARING, SLEEVE, (8X8) (12X12) (12X12 CREEPER) (24X24 ECO SPEED), W/O CAB (18) - CLUTCH

Схема запчастей Case IH FARMALL 120C - (18.100.AR[01]) - VAR - 336842, 390067, 743546, 744576 - PTO CLUTCH, THRUST BEARING, SLEEVE, (8X8) (12X12) (12X12 CREEPER) (24X24 ECO SPEED), W/O CAB (18) - CLUTCH
18.110.ab (03)
21
19
2
10
9
5
14
18
8
20
17
4
1
1
11
11
22
15
16
3
7
8
13
12
6
21.120.ab (01)
18.110.ab (01)
18.110.ab (02)
FIT
1:1
100%

Артикул

Название

Примечание

Количество

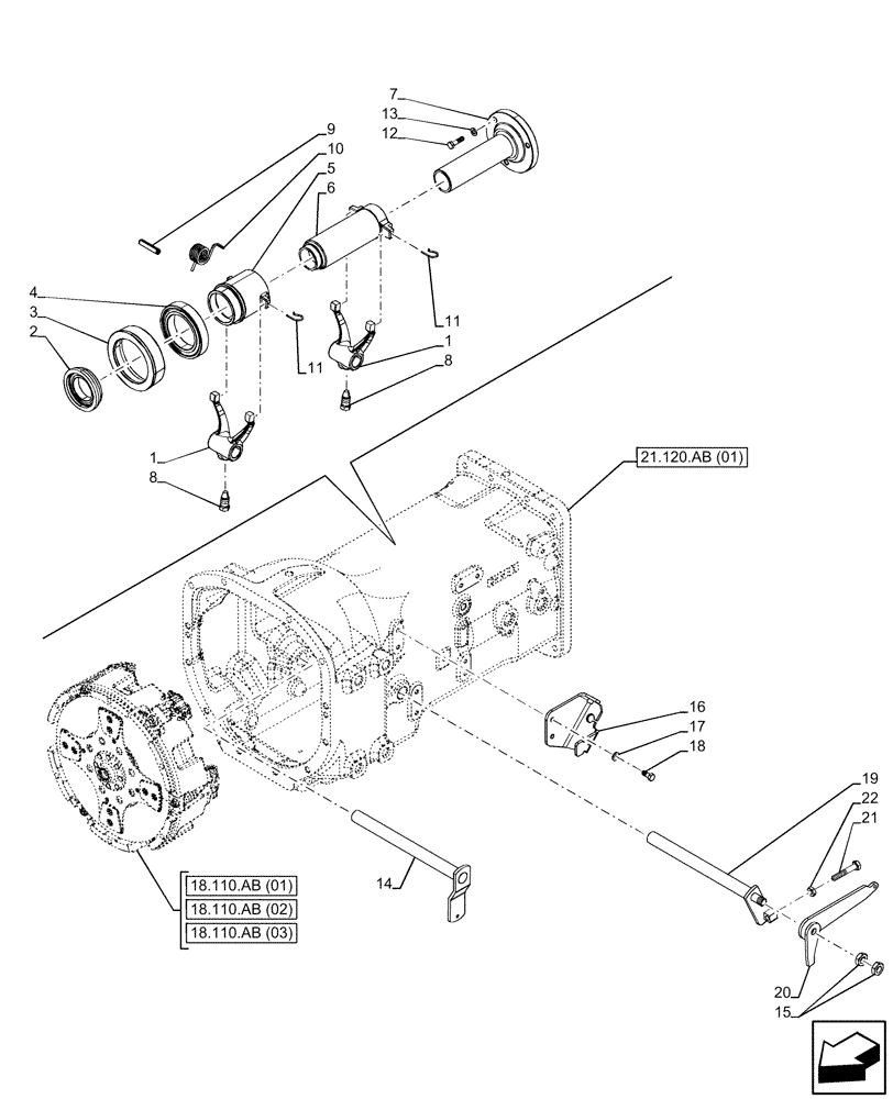
1

5172487

YOKE,M16 x 1.5

2шт.

2

87345759

BALL BEARING,50mm ID x 90.5mm OD x 22mm W

1шт.

3

5167182

SLEEVE,95mm ID x 128mm OD x 33mm L

1шт.

4

47127081

BALL BEARING,75mm ID x 115mm OD x 20mm W

1шт.

5

47493607

SLEEVE,63mm ID x 80mm OD x 94mm L

1шт.

6

47493604

SLEEVE,42mm ID x 65mm OD x 190mm L

1шт.

7

47493622

COVER

1шт.

8

4968813

BOLT,Hex, M16 x 1.5 x 32mm

2шт.

9

14610370

LOCK PIN,M10 x 50, Slotted

1шт.

10

5171380

SPRING,Extension, 35mm OD x 53mm L

1шт.

11

44011615

SPRING,15mm, Free Length

4шт.

12

16043824

SCREW,Hex, M8 x 1.25 x 30mm, Cl 8.8, Full Thd, DAC

3шт.

13

11193879

BELLEVILLE WASHER,M8 Bolt Size x 16mm OD x 1.4mm Thk

3шт.

14

47370671

CONTROL LEVER

1шт.

15

10791414

THIN NUT,M16 x 1.5

M16 x 1.5 04 DAC

2шт.

16

84387608

BRACKET

1шт.

17

83931520

WASHER,8.4mm ID x 17mm OD x 2mm Thk

2шт.

18

16043421

BOLT,Hex, M8 x 1.25 x 20mm, Cl 8.8, Full Thd

2шт.

19

84326194

CONTROL LEVER

1шт.

20

84408359

LEVER

1шт.

21

15231624

BOLT,Hex, M10 x 1.25 x 60mm, Cl 8.8, Full Thd

1шт.

22

10791021

THIN NUT,Thin, M10 x 1.25, Cl 05

1шт.

Выбрано товаров: 22