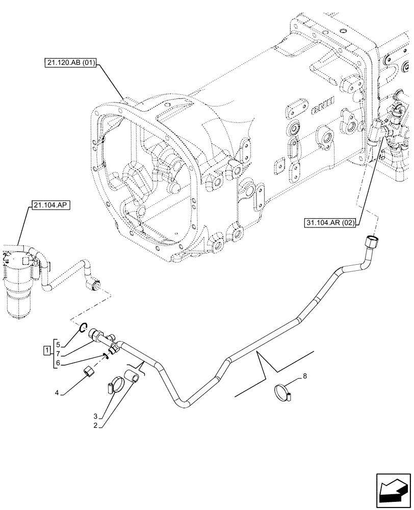
Запчасти Case IH FARMALL 120C (21.104.AD[02]) - VAR - 330581, 390228, 743559 - LUBRICATION LINE, W/ MECHANICAL ENGAGEMENT, CAB (21) - TRANSMISSION

Схема запчастей Case IH FARMALL 120C - (21.104.AD[02]) - VAR - 330581, 390228, 743559 - LUBRICATION LINE, W/ MECHANICAL ENGAGEMENT, CAB (21) - TRANSMISSION
21.104.ap
4
5
8
7
2
1
3
6
31.104.ar (02)
21.120.ab (01)
FIT
1:1
100%

Артикул

Название

Примечание

Количество

1

47482703

PIPE

From PTO Control Valve To Oil Filter, ASSY, Incl 5 - 7

1шт.

2

4959735

SPACER,18mm ID x 25mm OD x 30mm L

1шт.

3

13000690

HOSE CLAMP,32mm - 50mm, Worm Gear

32 x 50mm

1шт.

4

9625546

CAP,11/16" - 16 ORFS

1шт.

5

5185512

O-RING,0.07" Thk x 0.614" ID, -16, Cl 6, 90 Duro

1шт.

6

9993141

O-RING,0.07" Thk x 0.364" ID, -12, Cl 6, 90 Duro

1шт.

7

NSS

NOT SOLD SEPARAT

Pipe, Incl in 1

1шт.

8

13000890

HOSE CLAMP,50mm - 70mm, Worm Gear

1шт.

Выбрано товаров: 8