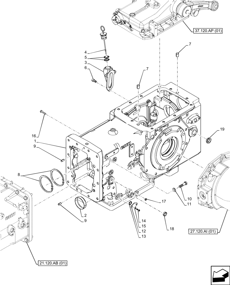
Запчасти Case IH FARMALL 120C (21.118.AF[01]) - VAR - 330581 - TRANSMISSION, DRIVE, HOUSING, 2WD (21) - TRANSMISSION

Схема запчастей Case IH FARMALL 120C - (21.118.AF[01]) - VAR - 330581 - TRANSMISSION, DRIVE, HOUSING, 2WD (21) - TRANSMISSION
17
37.120.ap (01)
10
8
11
27.120.ai (01)
16
13
7
2
15
18
21.120.ab (01)
3
9
14
1
5
12
19
4
9
6
7
FIT
1:1
100%

Артикул

Название

Примечание

Количество

1

47666992

TRANSMISSION HOUSING

1шт.

2

5139075

PLUG,80.5mm

1шт.

3

5177062

NECK FILLER

1шт.

4

47544277

DIPSTICK

1шт.

5

14457980

O-RING,0.103" Thk x 1.049" ID, -121, Cl 5, 75 Duro

2шт.

6

14360121

HEX SOC SCREW,M10 x 1.25 x 22mm, Cl 8.8, Full Thd

3шт.

7

5119529

DOWEL,15mm OD x 22mm L

2шт.

8

11075476

SNAP RING,M110, Int

2шт.

9

4988170

PIN,10mm OD x 20mm L

2шт.

10

15540834

BOLT,Hex, M12 x 1.25 x 50mm, Cl 10.9

M12 x 1.25 x 50mm

2шт.

11

11198674

BELLEVILLE WASHER,M12 Bolt Size x 24mm OD x 3.2mm Thk

2шт.

12

84350831

PLATE

1шт.

13

14453480

O-RING,17.17mm ID x 1.78mm

1шт.

14

14305224

HEX SOC SCREW,M6 x 16mm, Cl 8.8, Full Thd

2шт.

15

12601279

WAVE WASHER,6.40mm ID x 12mm OD x 0.50mm, 2.60mm H, STL, ZND

2шт.

16

10923221

SCREW,Hex, M10 x 1.25 x 25mm, Cl 8.8, Full Thd

3шт.

17

14328301

PLUG,M12, Tapered

1шт.

18

14328901

PLUG,M25, Tapered

1шт.

19

5160960

PLUG,30mm

1шт.

Выбрано товаров: 19