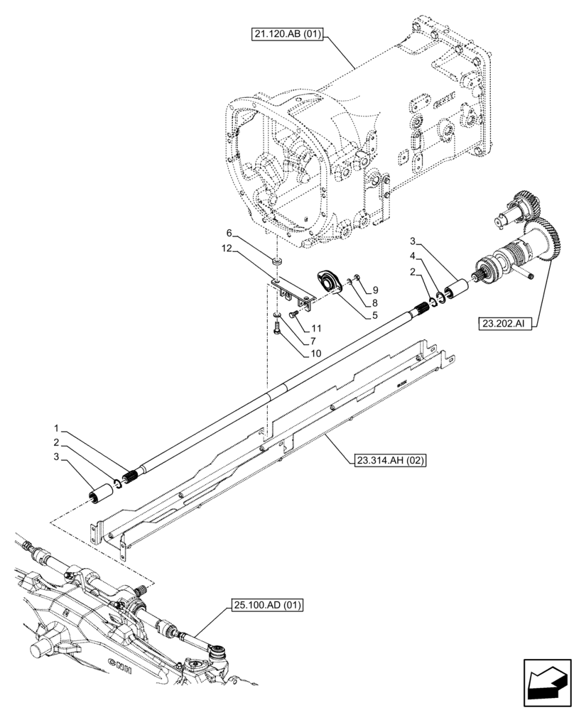
Запчасти Case IH FARMALL 120C (23.314.AH[01]) - VAR - 743558 - 4WD FRONT AXLE, DRIVE SHAFT (23) - FOUR WHEEL DRIVE SYSTEM

Схема запчастей Case IH FARMALL 120C - (23.314.AH[01]) - VAR - 743558 - 4WD FRONT AXLE, DRIVE SHAFT (23) - FOUR WHEEL DRIVE SYSTEM
12
23.314.ah (02)
5
4
25.100.ad (01)
2
10
3
2
3
23.202.ai
11
6
1
9
21.120.ab (01)
7
8
FIT
1:1
100%

Артикул

Название

Примечание

Количество

1

47495161

SHAFT

1402mm

1шт.

2

11067776

SNAP RING,M29, Ext

2шт.

3

84413835

SPLINED COUPLING

2шт.

4

5158051

SHIM,29.6mm ID x 40mm OD x 1.5mm Thk

1шт.

4

5158052

SHIM,29.6mm ID x 40mm OD x 1.9mm Thk

1шт.

4

4997301

SHIM,29mm ID x 40mm OD x 2.2mm Thk

1шт.

4

4997302

SHIM,29mm ID x 40mm OD x 2.5mm Thk

1шт.

4

4997303

SHIM,29mm ID x 40mm OD x 2.8mm Thk

1шт.

4

4997304

SHIM,29.6mm ID x 40mm OD x 3mm Thk

1шт.

4

4997305

SHIM,29.6mm ID x 40mm OD x 3.3mm Thk

1шт.

4

4997306

SHIM,29.6mm ID x 40mm OD x 3.7mm Thk

1шт.

4

4997307

SHIM,29.6mm ID x 40mm OD x 4mm Thk

1шт.

4

4997308

SHIM,29.6mm ID x 40mm OD x 4.3mm Thk

1шт.

5

5167098

BEARING ASSY,30mm ID

1шт.

6

5178325

SPACER,15mm ID x 30mm OD x 18mm L

2шт.

7

11197974

BELLEVILLE WASHER,M12 Bolt Size x 24mm OD

2шт.

8

11198574

BELLEVILLE WASHER,Belleville, M10.5

2шт.

9

12164714

NUT,M10 x 1.25, Cl 8

2шт.

10

15540724

SCREW,Hex, M12 x 1.25 x 45mm, Cl 8.8

2шт.

11

15970711

SCREW,M10 x 1.25 x 25

2шт.

12

5198748

SUPPORT

1шт.

Выбрано товаров: 0