Запчасти Case IH FARMALL 120C (33.202.AP[01]) - VAR - 330276, 334176, 334177, 336842, 336843, 336852, 336854, 390067, 390275, 743546, 744576 - BRAKE LINE (33) - BRAKES & CONTROLS

Схема запчастей Case IH FARMALL 120C - (33.202.AP[01]) - VAR - 330276, 334176, 334177, 336842, 336843, 336852, 336854, 390067, 390275, 743546, 744576 - BRAKE LINE (33) - BRAKES & CONTROLS
8
6
3
2
3
3
7
7
5
33.202.ap (02)
1
2
4
2
2
3
8
33.202.ar (02)
FIT
1:1
100%

Артикул

Название

Примечание

Количество

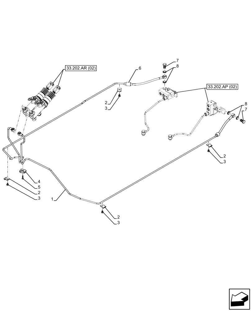
1

47596348

BRAKE LINE

Brake Control, LH

1шт.

2

84474589

BRACKET

4шт.

3

378056

BOLT,Hex, M6 x 10mm, Cl 8.8

M6 x 10mm 8.8 ZND

4шт.

4

87738904

CLAMP BRACKET

1шт.

5

10978231

BOLT,Hex, M5 x 25mm, Cl 10.9, Full Thd

1шт.

6

47596350

BRAKE LINE

Brake Control, RH

1шт.

7

5155703

BANJO BOLT,M12 x 1.25 x 22mm

2шт.

8

5183780

SEALING WASHER,9.73mm ID x 18mm OD x 1.5mm Thk

4шт.

Выбрано товаров: 8