Запчасти Case IH FARMALL 120C (33.202.AP[02]) - VAR - 330276, 334176, 334177, 336842, 336843, 336852, 336854, 390067, 390275, 743546, 744576 - BRAKE LINE (33) - BRAKES & CONTROLS

Схема запчастей Case IH FARMALL 120C - (33.202.AP[02]) - VAR - 330276, 334176, 334177, 336842, 336843, 336852, 336854, 390067, 390275, 743546, 744576 - BRAKE LINE (33) - BRAKES & CONTROLS
21
21
19
23
2
20
13
7
11
7
5
6
1
9
14
6
1
17
1
13
2
27.120.ai (02)
12
18
15
19
2
12
8
16
27.120.ai (01)
22
21.118.af (01)
20
10
8
4
3
4
10
5
15
FIT
1:1
100%

Артикул

Название

Примечание

Количество

1

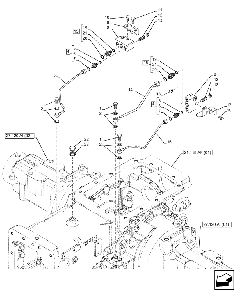
5155703

BANJO BOLT,M12 x 1.25 x 22mm

3шт.

2

5183780

SEALING WASHER,9.73mm ID x 18mm OD x 1.5mm Thk

6шт.

3

47550782

TUBE

Bleed RH

1шт.

4

86580177

HYD CONNECTOR,11/16"-16 ORFS x M12 x 1.5 ORB

ASSY, Incl 5 (Qty 1), 6 (Qty 1), 7 (Qty 1)

2шт.

5

86598098

O-RING,2.2mm Thk x 9.3mm ID, Cl 6, 90 Duro

2шт.

6

NSS

NOT SOLD SEPARAT

Union, Incl in 4

2шт.

7

9993141

O-RING,0.07" Thk x 0.364" ID, -12, Cl 6, 90 Duro

2шт.

8

47596344

BLOCK

2шт.

9

47589877

BRACKET

RH

1шт.

10

16586324

BOLT,Hex, M8 x 20mm, Cl 8.8, Full Thd

2шт.

11

15970524

BOLT,Hex, M10 x 1.25 x 20mm, Cl 8.8, Full Thd

1шт.

12

5155682

BLEED SCREW,Bleeder, M12 x 1.25 x 33mm

2шт.

13

5171793

BOOT

2шт.

14

47584485

PIPE

Brake LH

1шт.

15

87016907

HYD CONNECTOR,9/16"-18 ORFS x M10 x 1 ORB

ASSY, Incl 19 (Qty 1), 20 (Qty 1), 21 (Qty 1)

2шт.

16

47550785

TUBE

Bleed LH

1шт.

17

47596352

BRACKET

LH

1шт.

18

87013335

PLUG,Hex, M10 x 1

M10 x 1mm, Less TBV - TRAILER BRAKE VALVE

1шт.

19

84432614

O-RING,1.6mm Thk x 8.1mm ID, Cl 6, 90 Duro

2шт.

20

9825770

O-RING,0.07" Thk x 0.301" ID, -11, Cl 6, 90 Duro

2шт.

21

NSS

NOT SOLD SEPARAT

Connector, Incl in 15

2шт.

22

10300811

PLUG,M18 x 1.5 x 14, Cl5.8

Less TBV - TRAILER BRAKE VALVE

1шт.

23

5186176

SEALING WASHER,15.80mm ID x 26.92mm OD x 1.50mm, Steel, Zinc

Less TBV - TRAILER BRAKE VALVE

1шт.

Выбрано товаров: 23