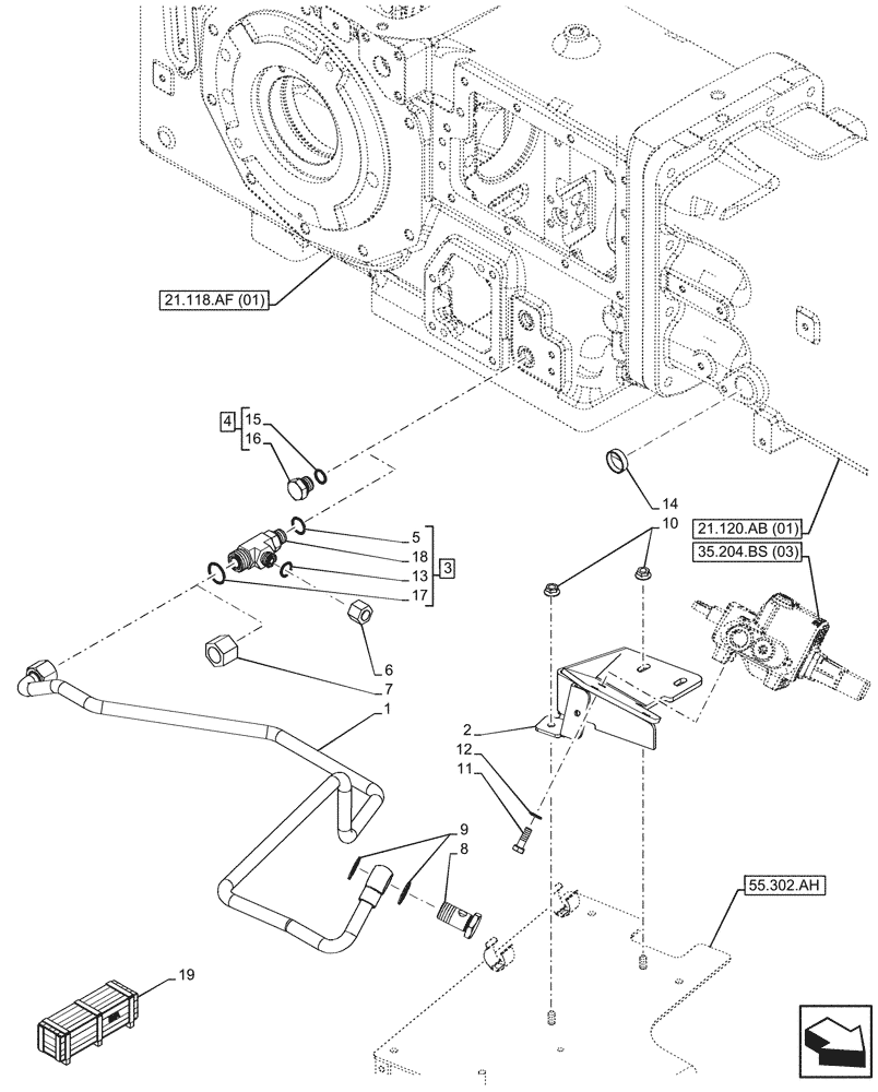
Запчасти Case IH FARMALL 120C (35.204.BS[02]) - VAR - 336125, 338125, 336780, 390124 - BRACKET, PIPE (35) - HYDRAULIC SYSTEMS

Схема запчастей Case IH FARMALL 120C - (35.204.BS[02]) - VAR - 336125, 338125, 336780, 390124 - BRACKET, PIPE (35) - HYDRAULIC SYSTEMS
35.204.bs (03)
4
3
5
1
11
12
15
7
10
8
19
18
6
2
16
13
9
14
17
21.118.af (01)
21.120.ab (01)
55.302.ah
FIT
1:1
100%

Артикул

Название

Примечание

Количество

1

47626333

PIPE

Return MMV

1шт.

2

47716438

SUPPORT

1шт.

3

5185049

TEE,1"-14 ORFS x 11/16-16 ORFS x M18 x 1.5 ORB

ASSY, Incl in 17 - 20

1шт.

4

87030025

PLUG,Hex, M18 x 1.5 ORB

ASSY, Incl 15, 16

1шт.

5

14437985

O-RING,15.3mm ID x 2.4mm

1шт.

6

9625546

CAP,11/16" - 16 ORFS

1шт.

7

9840576

CAP,1" - 14 ORFS

1шт.

8

5112588

BANJO BOLT,M22 x 1.5 x 40mm

1шт.

9

87667808

SEAL,22mm ID x 30mm OD x 1.5mm Thk

2шт.

10

13046211

NUT,Flange Hex, M8

M8 R50 ZND

2шт.

11

43127

BOLT,Hex, M8 x 1.25 x 25mm, Cl 8.8

3шт.

12

11193879

BELLEVILLE WASHER,M8 Bolt Size x 16mm OD x 1.4mm Thk

3шт.

13

5185510

O-RING,1.78mm Thk x 9.25mm ID, 85 Duro

1шт.

15

86598101

O-RING,2.2mm Thk x 15.3mm ID, Cl 6, 90 Duro

1шт.

14

14329101

PLUG,M30, Tapered

1шт.

16

NSS

NOT SOLD SEPARAT

Plug, Incl in 4

1шт.

17

5185512

O-RING,0.07" Thk x 0.614" ID, -16, Cl 6, 90 Duro

1шт.

18

NSS

NOT SOLD SEPARAT

Tee Body, Incl in 3

1шт.

19

719124720

DIA KIT, TRACTOR

2 Mid-mount Valves, Incl 1, 2, 5, 8 - 14

1шт.

To See Full DIA KIT Composition Look for all the Figures Where the DIA KIT P/N Is Shown

1шт.

Выбрано товаров: 20