Запчасти Case IH FARMALL 120C (50.100.AQ[01]) - VAR - 334183, 334211, 391606, 743496, 743573, 744588 - CAB, HEATER HOSE (50) - CAB CLIMATE CONTROL

Схема запчастей Case IH FARMALL 120C - (50.100.AQ[01]) - VAR - 334183, 334211, 391606, 743496, 743573, 744588 - CAB, HEATER HOSE (50) - CAB CLIMATE CONTROL
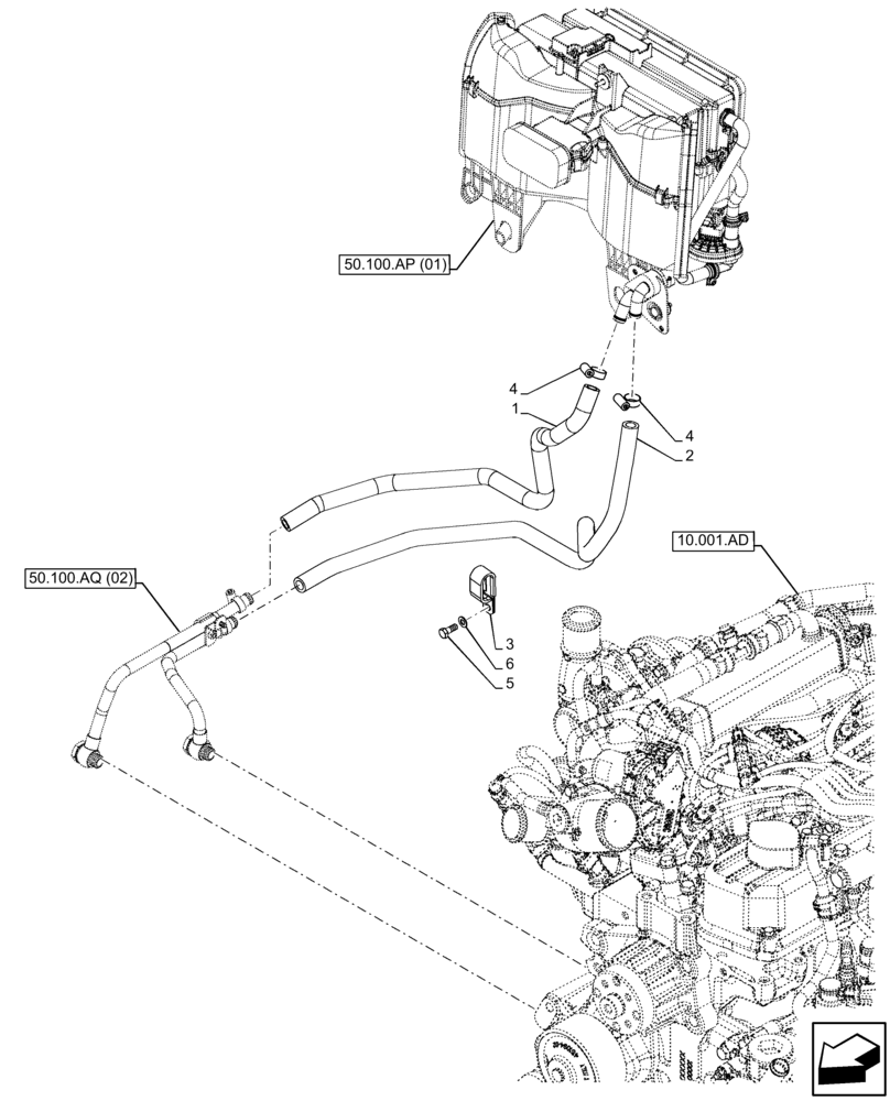
50.100.aq (02)
4
3
50.100.ap (01)
2
10.001.ad
4
1
6
5
FIT
1:1
100%

Артикул

Название

Примечание

Количество

1

47483864

HEATER HOSE,14mm ID

Water, to Engine

1шт.

2

47483865

HEATER HOSE,14mm ID

Water, to Heater/Air Conditioner

1шт.

3

5158381

COLLAR

1шт.

4

13000390

HOSE CLAMP,16mm - 25mm, Worm Gear

16 x 25mm STL ZND

2шт.

5

16043421

BOLT,Hex, M8 x 1.25 x 20mm, Cl 8.8, Full Thd

1шт.

6

11193874

BELLEVILLE WASHER,M8 Bolt Size x 16mm OD x 1.4mm Thk

1шт.

Выбрано товаров: 6