Запчасти Case IH FARMALL 120C (55.014.AI[02]) - VAR - 330581, 336839, 390328, 743559, 744990, 744580, 744581 - EXHAUST PIPE, TEMPERATURE SENDER (55) - ELECTRICAL SYSTEMS

Схема запчастей Case IH FARMALL 120C - (55.014.AI[02]) - VAR - 330581, 336839, 390328, 743559, 744990, 744580, 744581 - EXHAUST PIPE, TEMPERATURE SENDER (55) - ELECTRICAL SYSTEMS
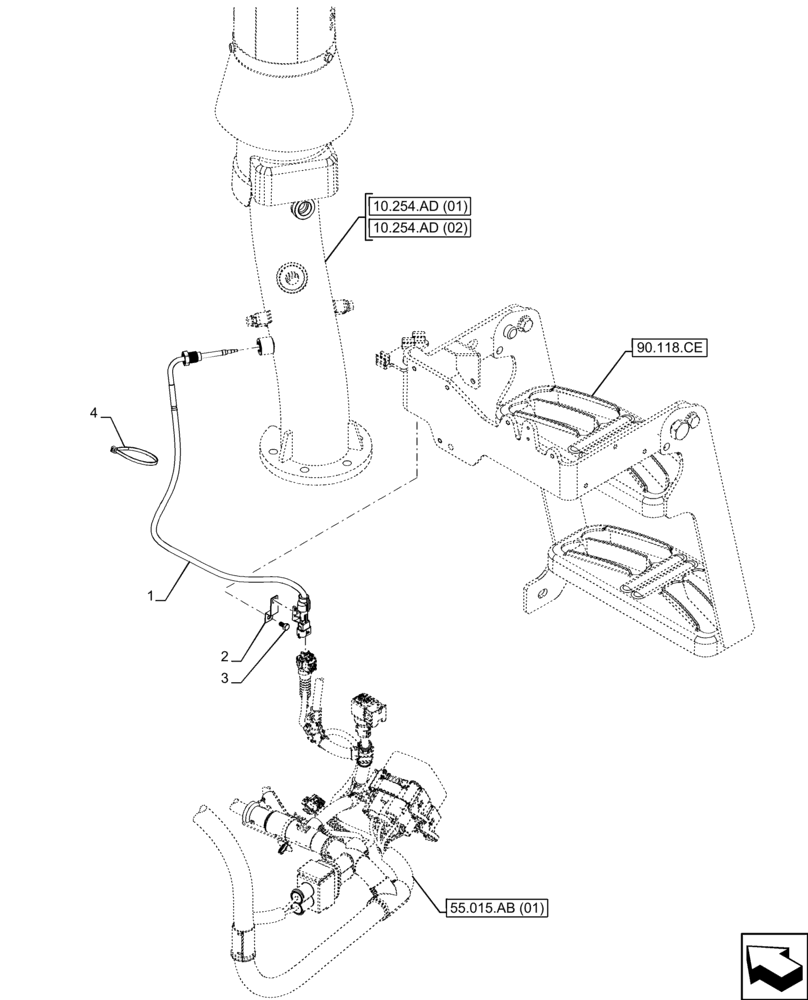
4
55.015.ab (01)
2
3
10.254.ad (02)
90.118.ce
10.254.ad (01)
1
FIT
1:1
100%

Артикул

Название

Примечание

Количество

1

47478880

TEMPERATURE SENDER,50mm, Closed

Exhaust Gas Temperature, 50mm

1шт.

Valid only for Var. 340105, 340106, 340108, 340109, 340110, 340111, 340112, 340113, 340114, 340115, 340116, 340117, 340118, 340119, 340120, 340121, 340122, 340123, 340124, 340125

1шт.

2

47564478

SUPPORT

1шт.

Valid only for Var. 340001

1шт.

3

10977521

BOLT,Hex, M5 x 10mm, Cl 8.8, Full Thd

1шт.

Valid only for Var. 340001

1шт.

4

14560187

COLLAR,199mm L

1шт.

Valid only for Var. 340001

1шт.

Выбрано товаров: 0