Запчасти Case IH FARMALL 120C (55.015.AB[01]) - VAR - 336839 - ENGINE, WIRE HARNESS (55) - ELECTRICAL SYSTEMS

Схема запчастей Case IH FARMALL 120C - (55.015.AB[01]) - VAR - 336839 - ENGINE, WIRE HARNESS (55) - ELECTRICAL SYSTEMS
55.014.ai (02)
55.015.ab (02)
55.014.ag (01)
2
4
55.510.bo (01)
6
8
10.001.ad
9
55.201.au
55.201.au
55.988.aj
1
3
55.510.af (01)
7
7
55.988.ag (02)
5
55.201.ae
55.015.aa (03)
55.012.aa
55.302.ah
55.014.ai (02)
FIT
1:1
100%

Артикул

Название

Примечание

Количество

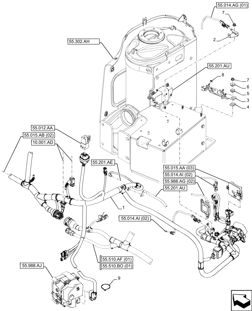
1

47649048

WIRE HARNESS

Harness, Wire, Engine

1шт.

2

47623440

BRACKET

1шт.

3

47623439

BRACKET

1шт.

4

87672920

RUBBER SEAL,19mm ID x 30mm L x 3mm Thk

2шт.

5

47131603

PAD,14mm ID x 26mm OD x 8mm Thk

2шт.

6

47131590

SPACER,8.5mm ID x 26mm OD x 10mm Thk

2шт.

7

825-2408

FLANGE NUT,M8 x 1.25, Flg, Cl 8

3шт.

8

14059211

FLANGE NUT,M6 x 1, Flg, Cl 8

4шт.

9

14560187

COLLAR,199mm L

1шт.

Выбрано товаров: 0